lemon-mirror:
Home >> Toyota >> 2012 >> Prius Two >> Repair and Diagnosis >> Electrical >> Body Electrical >> OEM System Circuits >> EPS >> Notes

OEM System Circuits: EPS: Notes

Fig 1: EPS System Wiring Diagram (1 Of 4)
G08850128Courtesy of © TOYOTA, LICENSE AGREEMENT TMS1002
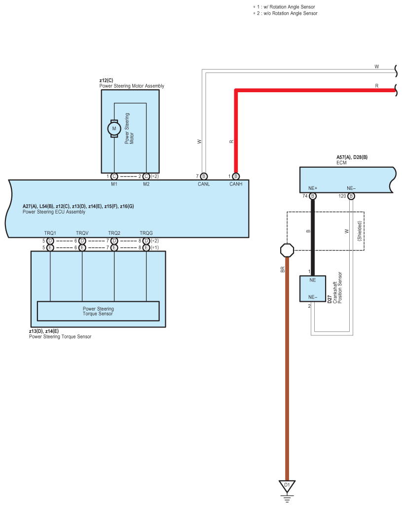
Fig 2: EPS System Wiring Diagram (2 Of 4)
G08850129Courtesy of © TOYOTA, LICENSE AGREEMENT TMS1002
Fig 3: EPS System Wiring Diagram (3 Of 4)
G08850130Courtesy of © TOYOTA, LICENSE AGREEMENT TMS1002
Fig 4: EPS System Wiring Diagram (4 Of 4)
G08850131Courtesy of © TOYOTA, LICENSE AGREEMENT TMS1002