lemon-mirror:
Home >> Toyota >> 2012 >> Prius Two >> Repair and Diagnosis >> Electrical >> Body Electrical >> OEM System Circuits >> Lane Keeping Assist >> Notes

Lane Keeping Assist: Notes

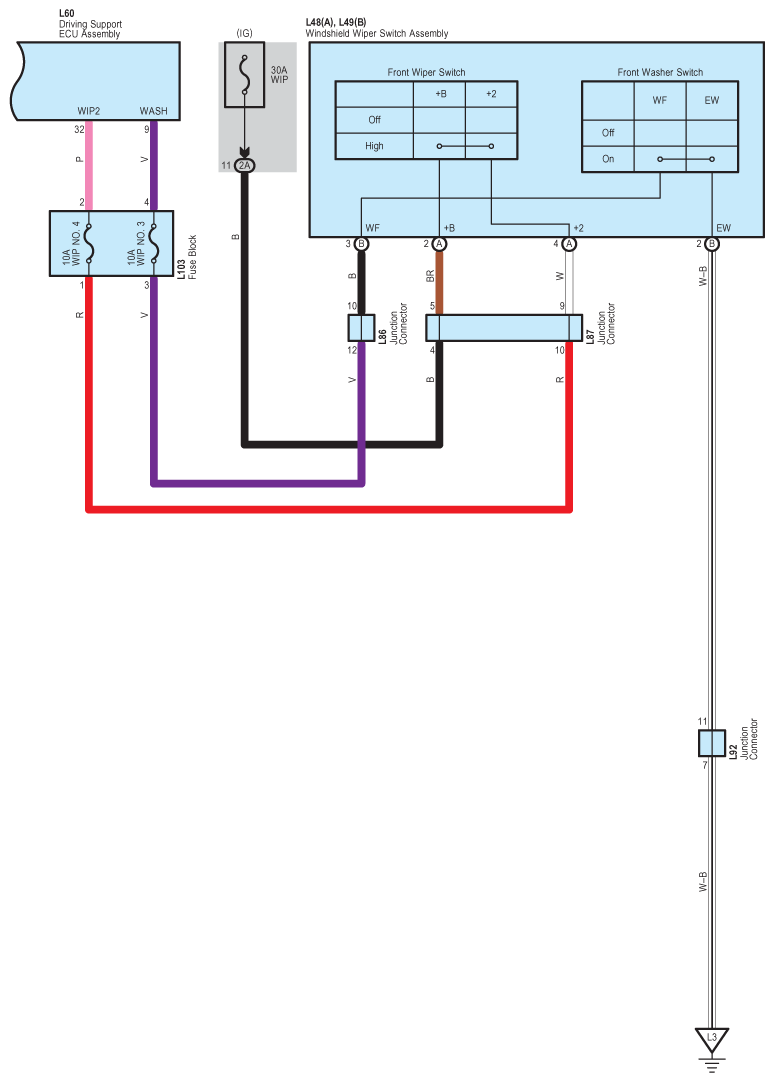
Fig 1: Lane Keeping Assist System Wiring Diagram (1 Of 9)
G08850114Courtesy of © TOYOTA, LICENSE AGREEMENT TMS1002
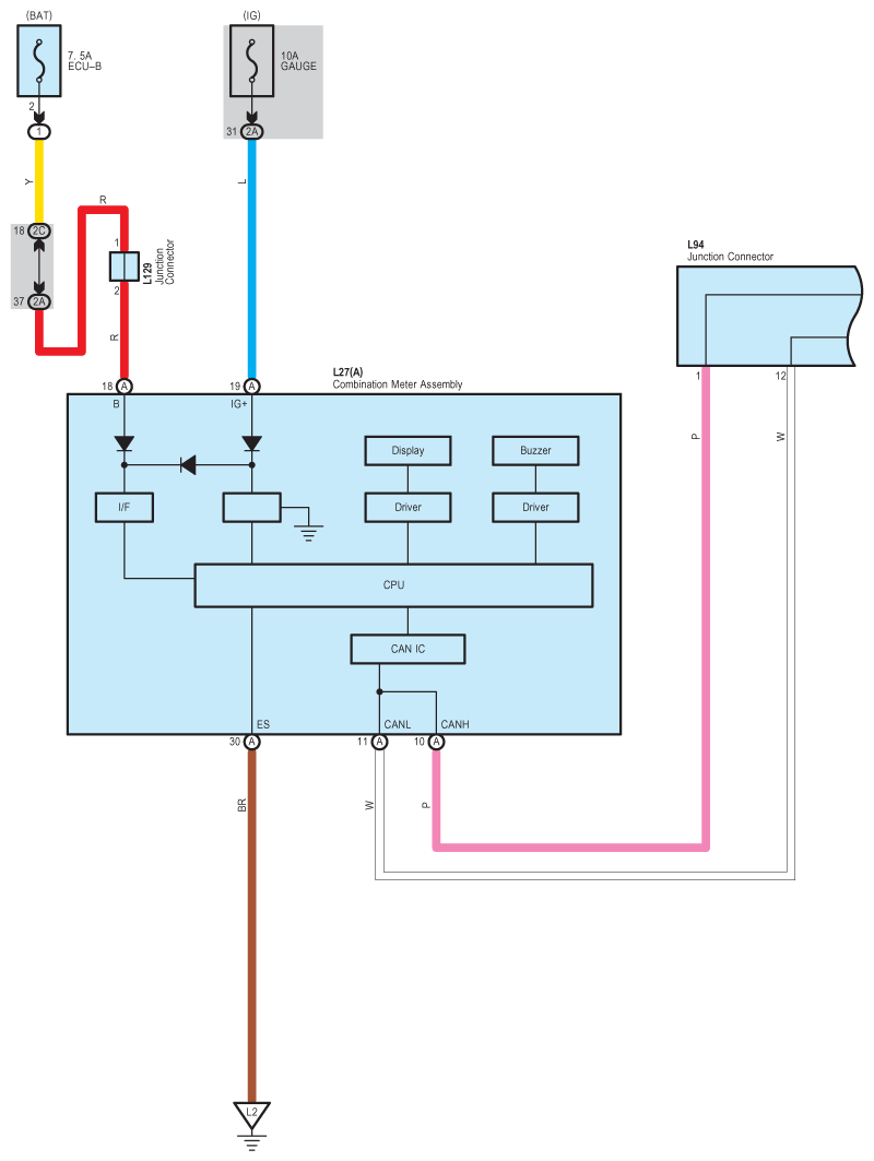
Fig 2: Lane Keeping Assist System Wiring Diagram (2 Of 9)
G08850115Courtesy of © TOYOTA, LICENSE AGREEMENT TMS1002
Fig 3: Lane Keeping Assist System Wiring Diagram (3 Of 9)
G08850116Courtesy of © TOYOTA, LICENSE AGREEMENT TMS1002
Fig 4: Lane Keeping Assist System Wiring Diagram (4 Of 9)
G08850117Courtesy of © TOYOTA, LICENSE AGREEMENT TMS1002
Fig 5: Lane Keeping Assist System Wiring Diagram (5 Of 9)
G08850118Courtesy of © TOYOTA, LICENSE AGREEMENT TMS1002
Fig 6: Lane Keeping Assist System Wiring Diagram (6 Of 9)
G08850119Courtesy of © TOYOTA, LICENSE AGREEMENT TMS1002
Fig 7: Lane Keeping Assist System Wiring Diagram (7 Of 9)
G08850120Courtesy of © TOYOTA, LICENSE AGREEMENT TMS1002
Fig 8: Lane Keeping Assist System Wiring Diagram (8 Of 9)
G08850121Courtesy of © TOYOTA, LICENSE AGREEMENT TMS1002
Fig 9: Lane Keeping Assist System Wiring Diagram (9 Of 9)
G08850122Courtesy of © TOYOTA, LICENSE AGREEMENT TMS1002