lemon-mirror:
Home >> Toyota >> 2012 >> Prius Two >> Repair and Diagnosis >> Electrical >> Body Electrical >> OEM System Circuits >> Power Source >> Notes

Power Source: Notes

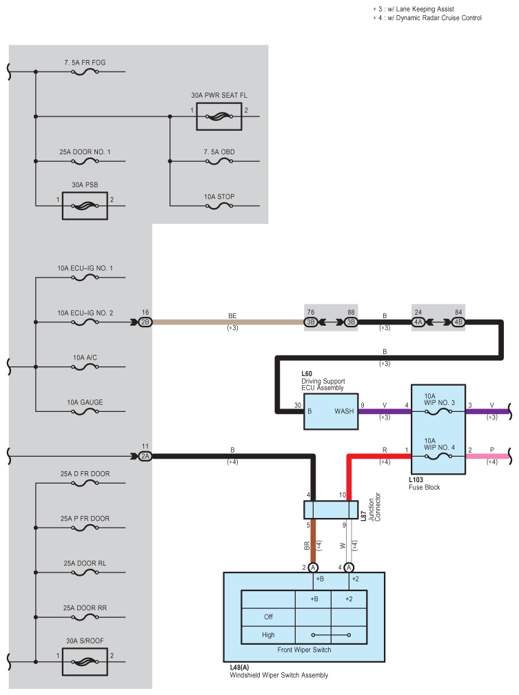
Fig 1: Power Source System Wiring Diagram (1 Of 6)
G08849942Courtesy of © TOYOTA, LICENSE AGREEMENT TMS1002
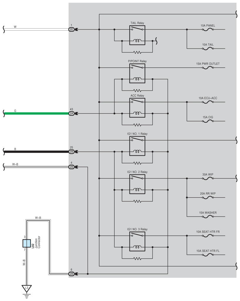
Fig 2: Power Source System Wiring Diagram (2 Of 6)
G08849943Courtesy of © TOYOTA, LICENSE AGREEMENT TMS1002
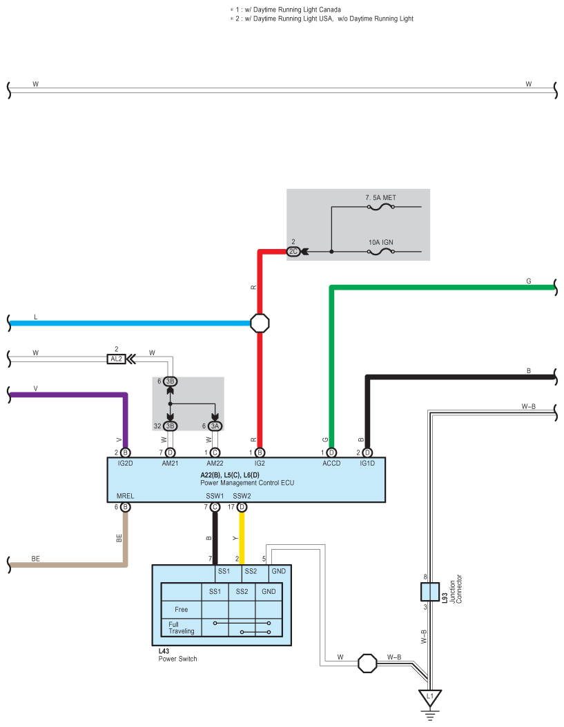
Fig 3: Power Source System Wiring Diagram (3 Of 6)
G08849944Courtesy of © TOYOTA, LICENSE AGREEMENT TMS1002
Fig 4: Power Source System Wiring Diagram (4 Of 6)
G08849945Courtesy of © TOYOTA, LICENSE AGREEMENT TMS1002
Fig 5: Power Source System Wiring Diagram (5 Of 6)
G08849946Courtesy of © TOYOTA, LICENSE AGREEMENT TMS1002
Fig 6: Power Source System Wiring Diagram (6 Of 6)
G08849947Courtesy of © TOYOTA, LICENSE AGREEMENT TMS1002