lemon-mirror:
Home >> Toyota >> 2012 >> Prius Two >> Repair and Diagnosis >> Electrical >> Body Electrical >> OEM System Circuits >> Stop Light >> Notes

Stop Light: Notes

Fig 1: Stop Light System Wiring Diagram (1 Of 2)
G08850049Courtesy of © TOYOTA, LICENSE AGREEMENT TMS1002
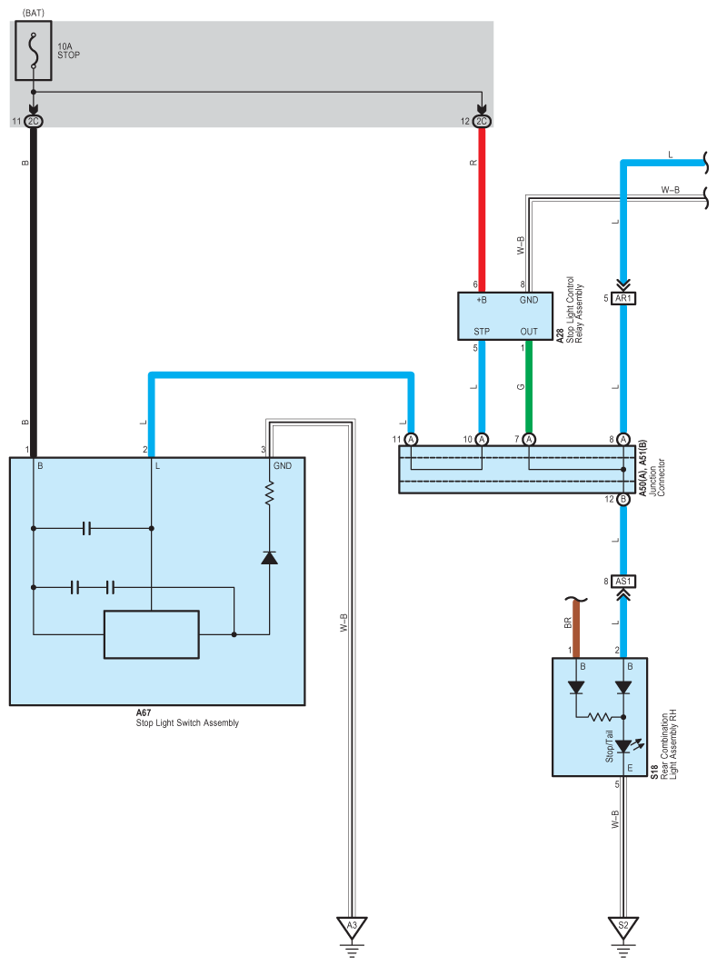
Fig 2: Stop Light System Wiring Diagram (2 Of 2)
G08850050Courtesy of © TOYOTA, LICENSE AGREEMENT TMS1002