lemon-mirror:
Home >> Toyota >> 2012 >> Prius V >> Repair and Diagnosis >> Electrical >> Body Electrical >> OEM System Circuits >> Cruise Control, Dynamic Radar Cruise Control and Engine Control >> Notes

Cruise Control, Dynamic Radar Cruise Control and Engine Control: Notes

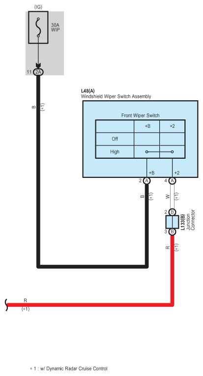
Fig 1: Cruise Control, Dynamic Radar Cruise Control And Engine Control System Wiring Diagram (1 Of 31)
G08862813Courtesy of © TOYOTA, LICENSE AGREEMENT TMS1002
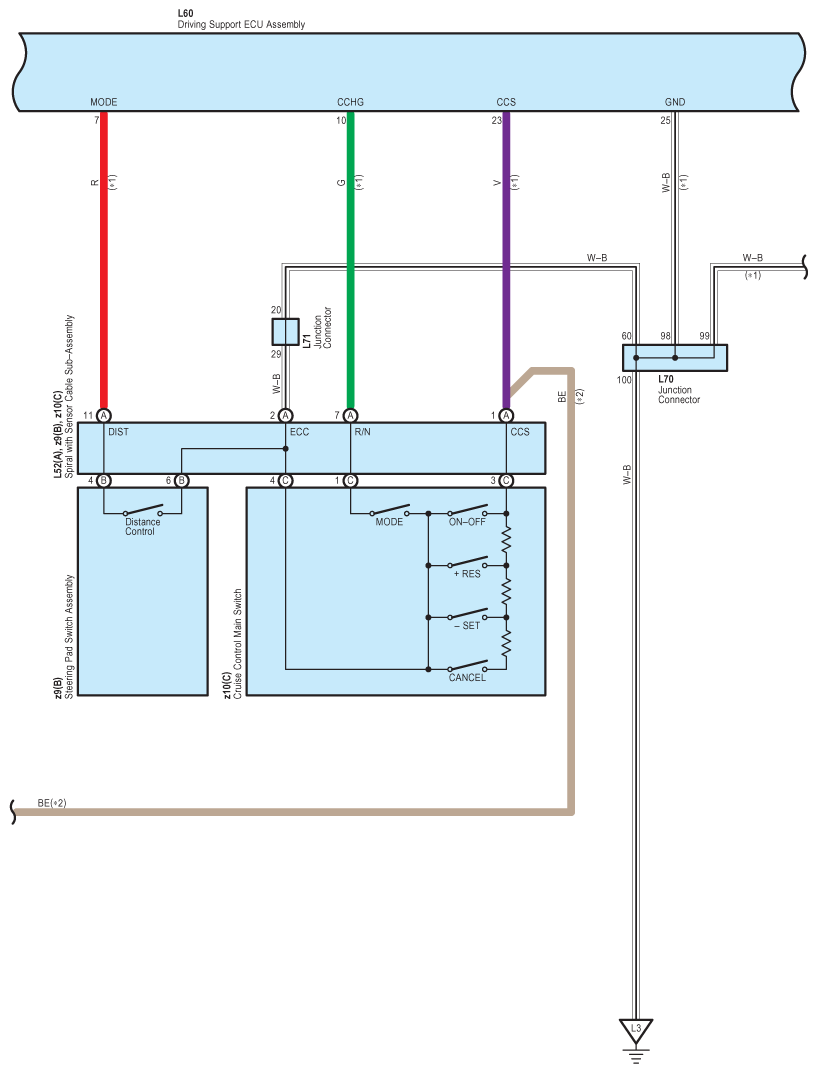
Fig 2: Cruise Control, Dynamic Radar Cruise Control And Engine Control System Wiring Diagram (2 Of 31)
G08862814Courtesy of © TOYOTA, LICENSE AGREEMENT TMS1002
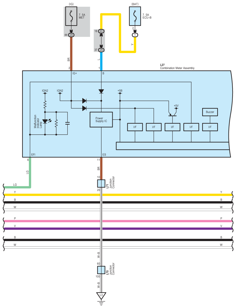
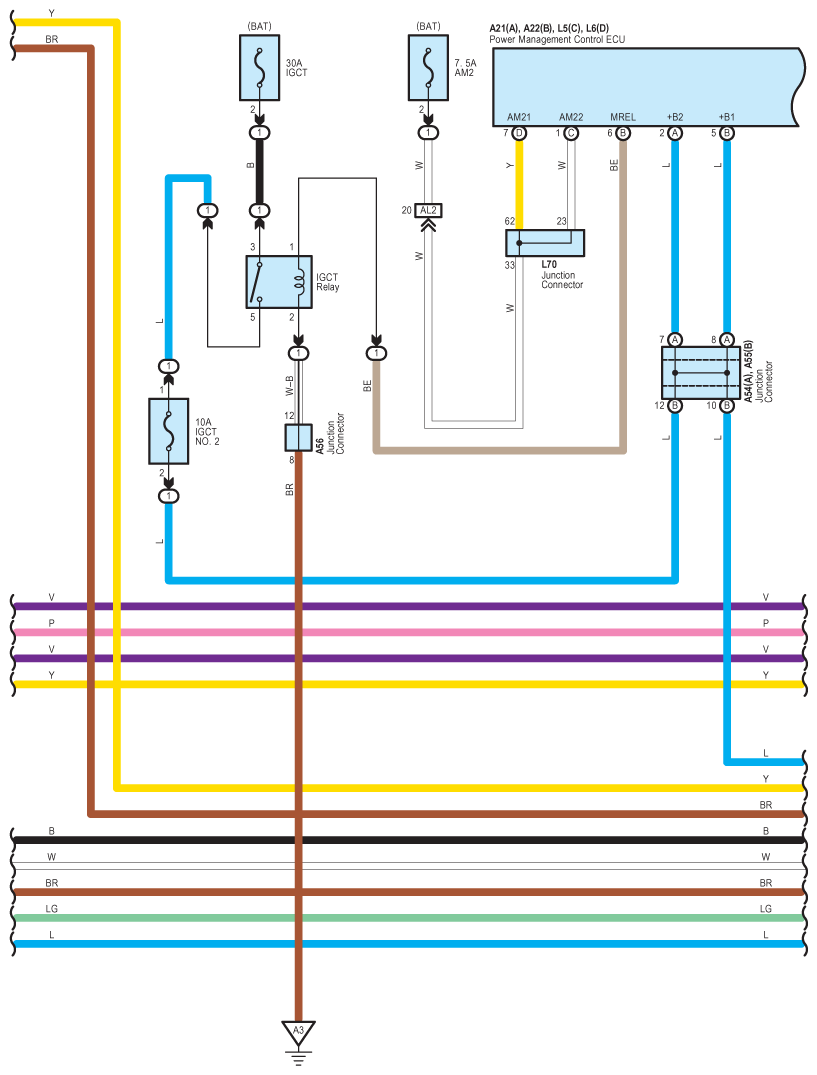
Fig 3: Cruise Control, Dynamic Radar Cruise Control And Engine Control System Wiring Diagram (3 Of 31)
G08862815Courtesy of © TOYOTA, LICENSE AGREEMENT TMS1002
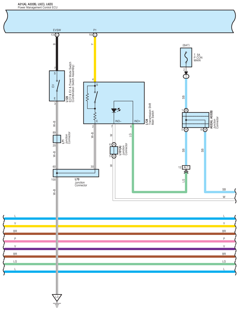
Fig 4: Cruise Control, Dynamic Radar Cruise Control And Engine Control System Wiring Diagram (4 Of 31)
G08862816Courtesy of © TOYOTA, LICENSE AGREEMENT TMS1002
Fig 5: Cruise Control, Dynamic Radar Cruise Control And Engine Control System Wiring Diagram (5 Of 31)
G08862817Courtesy of © TOYOTA, LICENSE AGREEMENT TMS1002
Fig 6: Cruise Control, Dynamic Radar Cruise Control And Engine Control System Wiring Diagram (6 Of 31)
G08862818Courtesy of © TOYOTA, LICENSE AGREEMENT TMS1002
Fig 7: Cruise Control, Dynamic Radar Cruise Control And Engine Control System Wiring Diagram (7 Of 31)
G08862819Courtesy of © TOYOTA, LICENSE AGREEMENT TMS1002
Fig 8: Cruise Control, Dynamic Radar Cruise Control And Engine Control System Wiring Diagram (8 Of 31)
G08862820Courtesy of © TOYOTA, LICENSE AGREEMENT TMS1002
Fig 9: Cruise Control, Dynamic Radar Cruise Control And Engine Control System Wiring Diagram (9 Of 31)
G08862821Courtesy of © TOYOTA, LICENSE AGREEMENT TMS1002
Fig 10: Cruise Control, Dynamic Radar Cruise Control And Engine Control System Wiring Diagram (10 Of 31)
G08862822Courtesy of © TOYOTA, LICENSE AGREEMENT TMS1002
Fig 11: Cruise Control, Dynamic Radar Cruise Control And Engine Control System Wiring Diagram (11 Of 31)
G08862823Courtesy of © TOYOTA, LICENSE AGREEMENT TMS1002
Fig 12: Cruise Control, Dynamic Radar Cruise Control And Engine Control System Wiring Diagram (12 Of 31)
G08862824Courtesy of © TOYOTA, LICENSE AGREEMENT TMS1002
Fig 13: Cruise Control, Dynamic Radar Cruise Control And Engine Control System Wiring Diagram (13 Of 31)
G08862825Courtesy of © TOYOTA, LICENSE AGREEMENT TMS1002
Fig 14: Cruise Control, Dynamic Radar Cruise Control And Engine Control System Wiring Diagram (14 Of 31)
G08862826Courtesy of © TOYOTA, LICENSE AGREEMENT TMS1002
Fig 15: Cruise Control, Dynamic Radar Cruise Control And Engine Control System Wiring Diagram (15 Of 31)
G08862827Courtesy of © TOYOTA, LICENSE AGREEMENT TMS1002
Fig 16: Cruise Control, Dynamic Radar Cruise Control And Engine Control System Wiring Diagram (16 Of 31)
G08862828Courtesy of © TOYOTA, LICENSE AGREEMENT TMS1002
Fig 17: Cruise Control, Dynamic Radar Cruise Control And Engine Control System Wiring Diagram (17 Of 31)
G08862829Courtesy of © TOYOTA, LICENSE AGREEMENT TMS1002
Fig 18: Cruise Control, Dynamic Radar Cruise Control And Engine Control System Wiring Diagram (18 Of 31)
G08862830Courtesy of © TOYOTA, LICENSE AGREEMENT TMS1002
Fig 19: Cruise Control, Dynamic Radar Cruise Control And Engine Control System Wiring Diagram (19 Of 31)
G08862831Courtesy of © TOYOTA, LICENSE AGREEMENT TMS1002
Fig 20: Cruise Control, Dynamic Radar Cruise Control And Engine Control System Wiring Diagram (20 Of 31)
G08862832Courtesy of © TOYOTA, LICENSE AGREEMENT TMS1002
Fig 21: Cruise Control, Dynamic Radar Cruise Control And Engine Control System Wiring Diagram (21 Of 31)
G08862833Courtesy of © TOYOTA, LICENSE AGREEMENT TMS1002
Fig 22: Cruise Control, Dynamic Radar Cruise Control And Engine Control System Wiring Diagram (22 Of 31)
G08862834Courtesy of © TOYOTA, LICENSE AGREEMENT TMS1002
Fig 23: Cruise Control, Dynamic Radar Cruise Control And Engine Control System Wiring Diagram (23 Of 31)
G08862835Courtesy of © TOYOTA, LICENSE AGREEMENT TMS1002
Fig 24: Cruise Control, Dynamic Radar Cruise Control And Engine Control System Wiring Diagram (24 Of 31)
G08862836Courtesy of © TOYOTA, LICENSE AGREEMENT TMS1002
Fig 25: Cruise Control, Dynamic Radar Cruise Control And Engine Control System Wiring Diagram (25 Of 31)
G08862837Courtesy of © TOYOTA, LICENSE AGREEMENT TMS1002
Fig 26: Cruise Control, Dynamic Radar Cruise Control And Engine Control System Wiring Diagram (26 Of 31)
G08862838Courtesy of © TOYOTA, LICENSE AGREEMENT TMS1002
Fig 27: Cruise Control, Dynamic Radar Cruise Control And Engine Control System Wiring Diagram (27 Of 31)
G08862839Courtesy of © TOYOTA, LICENSE AGREEMENT TMS1002
Fig 28: Cruise Control, Dynamic Radar Cruise Control And Engine Control System Wiring Diagram (28 Of 31)
G08862840Courtesy of © TOYOTA, LICENSE AGREEMENT TMS1002
Fig 29: Cruise Control, Dynamic Radar Cruise Control And Engine Control System Wiring Diagram (29 Of 31)
G08862841Courtesy of © TOYOTA, LICENSE AGREEMENT TMS1002
Fig 30: Cruise Control, Dynamic Radar Cruise Control And Engine Control System Wiring Diagram (30 Of 31)
G08862842Courtesy of © TOYOTA, LICENSE AGREEMENT TMS1002
Fig 31: Cruise Control, Dynamic Radar Cruise Control And Engine Control System Wiring Diagram (31 Of 31)
G08862843Courtesy of © TOYOTA, LICENSE AGREEMENT TMS1002