lemon-mirror:
Home >> Toyota >> 2012 >> Prius V >> Repair and Diagnosis >> Electrical >> Body Electrical >> OEM System Circuits >> Door Lock Control >> Notes

Door Lock Control: Notes

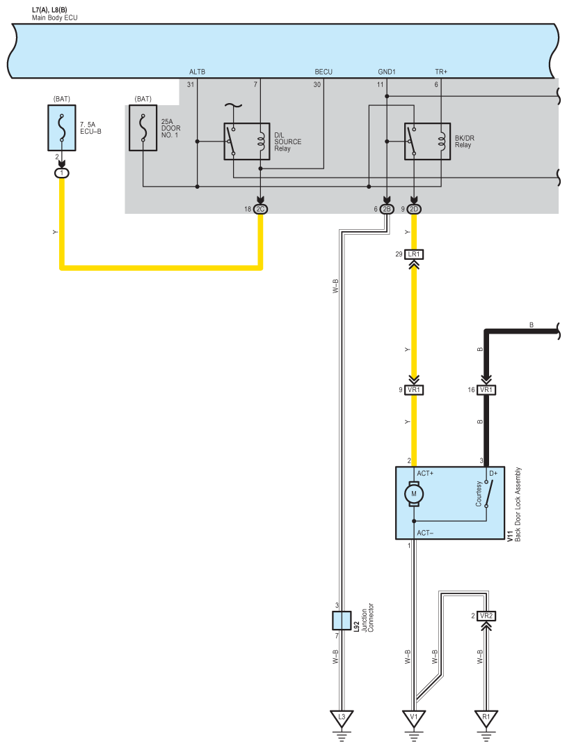
Fig 1: Door Lock Control System Wiring Diagram (1 Of 7)
G08862893Courtesy of © TOYOTA, LICENSE AGREEMENT TMS1002
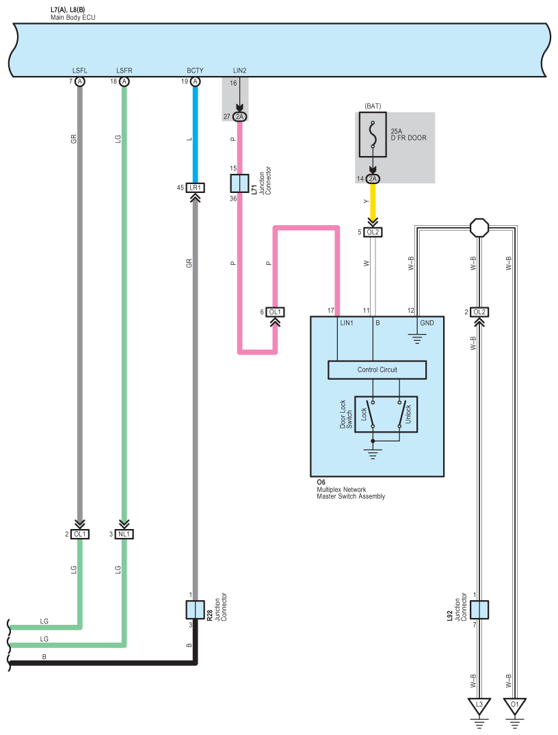
Fig 2: Door Lock Control System Wiring Diagram (2 Of 7)
G08862894Courtesy of © TOYOTA, LICENSE AGREEMENT TMS1002
Fig 3: Door Lock Control System Wiring Diagram (3 Of 7)
G08862895Courtesy of © TOYOTA, LICENSE AGREEMENT TMS1002
Fig 4: Door Lock Control System Wiring Diagram (4 Of 7)
G08862896Courtesy of © TOYOTA, LICENSE AGREEMENT TMS1002
Fig 5: Door Lock Control System Wiring Diagram (5 Of 7)
G08862897Courtesy of © TOYOTA, LICENSE AGREEMENT TMS1002
Fig 6: Door Lock Control System Wiring Diagram (6 Of 7)
G08862898Courtesy of © TOYOTA, LICENSE AGREEMENT TMS1002
Fig 7: Door Lock Control System Wiring Diagram (7 Of 7)
G08862899Courtesy of © TOYOTA, LICENSE AGREEMENT TMS1002