lemon-mirror:
Home >> Toyota >> 2012 >> Prius V >> Repair and Diagnosis >> Electrical >> Body Electrical >> OEM System Circuits >> Fog Light >> Notes

Fog Light: Notes

Fig 1: Fog Light System Wiring Diagram (1 Of 4)
G08862858Courtesy of © TOYOTA, LICENSE AGREEMENT TMS1002
Fig 2: Fog Light System Wiring Diagram (2 Of 4)
G08862859Courtesy of © TOYOTA, LICENSE AGREEMENT TMS1002
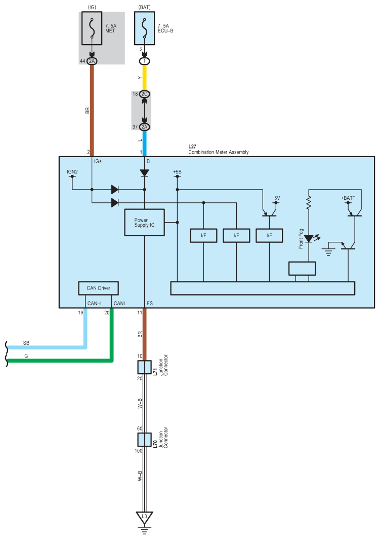
Fig 3: Fog Light System Wiring Diagram (3 Of 4)
G08862860Courtesy of © TOYOTA, LICENSE AGREEMENT TMS1002
Fig 4: Fog Light System Wiring Diagram (4 Of 4)
G08862861Courtesy of © TOYOTA, LICENSE AGREEMENT TMS1002