lemon-mirror:
Home >> Toyota >> 2012 >> Prius V >> Repair and Diagnosis >> Electrical >> Body Electrical >> OEM System Circuits >> Hybrid System and Shift Control System >> Notes

Hybrid System and Shift Control System: Notes

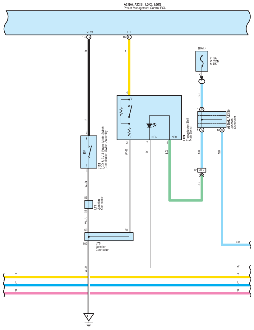
Fig 1: Hybrid System And Shift Control System Wiring Diagram (1 Of 28)
G08862764Courtesy of © TOYOTA, LICENSE AGREEMENT TMS1002
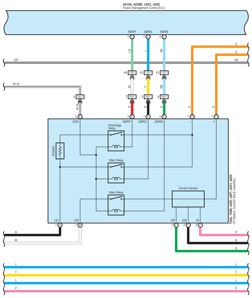
Fig 2: Hybrid System And Shift Control System Wiring Diagram (2 Of 28)
G08862765Courtesy of © TOYOTA, LICENSE AGREEMENT TMS1002
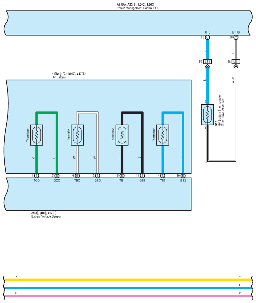
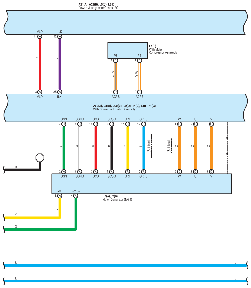
Fig 3: Hybrid System And Shift Control System Wiring Diagram (3 Of 28)
G08862766Courtesy of © TOYOTA, LICENSE AGREEMENT TMS1002
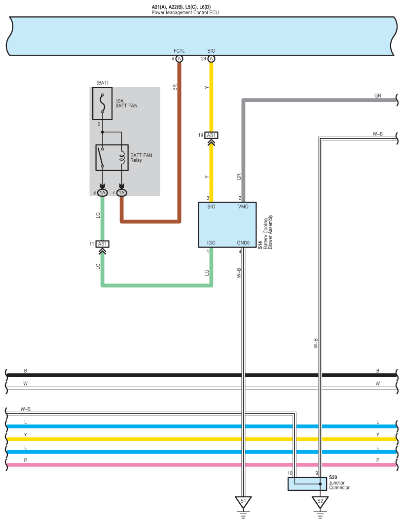
Fig 4: Hybrid System And Shift Control System Wiring Diagram (4 Of 28)
G08862767Courtesy of © TOYOTA, LICENSE AGREEMENT TMS1002
Fig 5: Hybrid System And Shift Control System Wiring Diagram (5 Of 28)
G08862768Courtesy of © TOYOTA, LICENSE AGREEMENT TMS1002
Fig 6: Hybrid System And Shift Control System Wiring Diagram (6 Of 28)
G08862769Courtesy of © TOYOTA, LICENSE AGREEMENT TMS1002
Fig 7: Hybrid System And Shift Control System Wiring Diagram (7 Of 28)
G08862770Courtesy of © TOYOTA, LICENSE AGREEMENT TMS1002
Fig 8: Hybrid System And Shift Control System Wiring Diagram (8 Of 28)
G08862771Courtesy of © TOYOTA, LICENSE AGREEMENT TMS1002
Fig 9: Hybrid System And Shift Control System Wiring Diagram (9 Of 28)
G08862772Courtesy of © TOYOTA, LICENSE AGREEMENT TMS1002
Fig 10: Hybrid System And Shift Control System Wiring Diagram (10 Of 28)
G08862773Courtesy of © TOYOTA, LICENSE AGREEMENT TMS1002
Fig 11: Hybrid System And Shift Control System Wiring Diagram (11 Of 28)
G08862774Courtesy of © TOYOTA, LICENSE AGREEMENT TMS1002
Fig 12: Hybrid System And Shift Control System Wiring Diagram (12 Of 28)
G08862775Courtesy of © TOYOTA, LICENSE AGREEMENT TMS1002
Fig 13: Hybrid System And Shift Control System Wiring Diagram (13 Of 28)
G08862776Courtesy of © TOYOTA, LICENSE AGREEMENT TMS1002
Fig 14: Hybrid System And Shift Control System Wiring Diagram (14 Of 28)
G08862777Courtesy of © TOYOTA, LICENSE AGREEMENT TMS1002
Fig 15: Hybrid System And Shift Control System Wiring Diagram (15 Of 28)
G08862778Courtesy of © TOYOTA, LICENSE AGREEMENT TMS1002
Fig 16: Hybrid System And Shift Control System Wiring Diagram (16 Of 28)
G08862779Courtesy of © TOYOTA, LICENSE AGREEMENT TMS1002
Fig 17: Hybrid System And Shift Control System Wiring Diagram (17 Of 28)
G08862780Courtesy of © TOYOTA, LICENSE AGREEMENT TMS1002
Fig 18: Hybrid System And Shift Control System Wiring Diagram (18 Of 28)
G08862781Courtesy of © TOYOTA, LICENSE AGREEMENT TMS1002
Fig 19: Hybrid System And Shift Control System Wiring Diagram (19 Of 28)
G08862782Courtesy of © TOYOTA, LICENSE AGREEMENT TMS1002
Fig 20: Hybrid System And Shift Control System Wiring Diagram (20 Of 28)
G08862783Courtesy of © TOYOTA, LICENSE AGREEMENT TMS1002
Fig 21: Hybrid System And Shift Control System Wiring Diagram (21 Of 28)
G08862784Courtesy of © TOYOTA, LICENSE AGREEMENT TMS1002
Fig 22: Hybrid System And Shift Control System Wiring Diagram (22 Of 28)
G08862785Courtesy of © TOYOTA, LICENSE AGREEMENT TMS1002
Fig 23: Hybrid System And Shift Control System Wiring Diagram (23 Of 28)
G08862786Courtesy of © TOYOTA, LICENSE AGREEMENT TMS1002
Fig 24: Hybrid System And Shift Control System Wiring Diagram (24 Of 28)
G08862787Courtesy of © TOYOTA, LICENSE AGREEMENT TMS1002
Fig 25: Hybrid System And Shift Control System Wiring Diagram (25 Of 28)
G08862788Courtesy of © TOYOTA, LICENSE AGREEMENT TMS1002
Fig 26: Hybrid System And Shift Control System Wiring Diagram (26 Of 28)
G08862789Courtesy of © TOYOTA, LICENSE AGREEMENT TMS1002
Fig 27: Hybrid System And Shift Control System Wiring Diagram (27 Of 28)
G08862790Courtesy of © TOYOTA, LICENSE AGREEMENT TMS1002
Fig 28: Hybrid System And Shift Control System Wiring Diagram (28 Of 28)
G08862791Courtesy of © TOYOTA, LICENSE AGREEMENT TMS1002