lemon-mirror:
Home >> Toyota >> 2012 >> Prius V >> Repair and Diagnosis >> Electrical >> Body Electrical >> OEM System Circuits >> Power Source >> Notes

Power Source: Notes

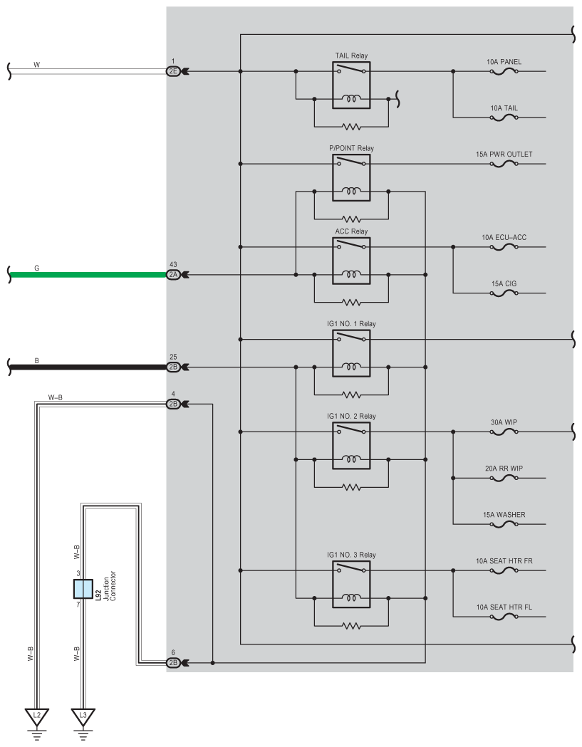
Fig 1: Power Source System Wiring Diagram (1 Of 6)
G08862756Courtesy of © TOYOTA, LICENSE AGREEMENT TMS1002
Fig 2: Power Source System Wiring Diagram (2 Of 6)
G08862757Courtesy of © TOYOTA, LICENSE AGREEMENT TMS1002
Fig 3: Power Source System Wiring Diagram (3 Of 6)
G08862758Courtesy of © TOYOTA, LICENSE AGREEMENT TMS1002
Fig 4: Power Source System Wiring Diagram (4 Of 6)
G08862759Courtesy of © TOYOTA, LICENSE AGREEMENT TMS1002
Fig 5: Power Source System Wiring Diagram (5 Of 6)
G08862760Courtesy of © TOYOTA, LICENSE AGREEMENT TMS1002
Fig 6: Power Source System Wiring Diagram (6 Of 6)
G08862761Courtesy of © TOYOTA, LICENSE AGREEMENT TMS1002