lemon-mirror:
Home >> Toyota >> 2012 >> Prius V >> Repair and Diagnosis >> Electrical >> Body Electrical >> OEM System Circuits >> Roof Sunshade System >> Notes

Roof Sunshade System: Notes

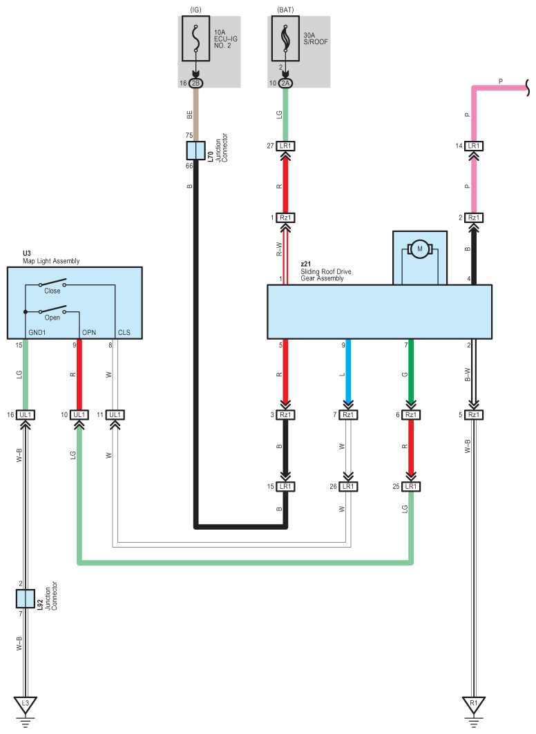
Fig 1: Roof Sunshade System Wiring Diagram (1 Of 2)
G08862938Courtesy of © TOYOTA, LICENSE AGREEMENT TMS1002
Fig 2: Roof Sunshade System Wiring Diagram (2 Of 2)
G08862939Courtesy of © TOYOTA, LICENSE AGREEMENT TMS1002