lemon-mirror:
Home >> Toyota >> 2012 >> Prius V >> Repair and Diagnosis >> Electrical >> Body Electrical >> OEM System Circuits >> SRS >> Notes

OEM System Circuits: SRS: Notes

NOTE: When inspecting or repairing the SRS, perform service in accordance with the following precautionary instructions and the procedures.
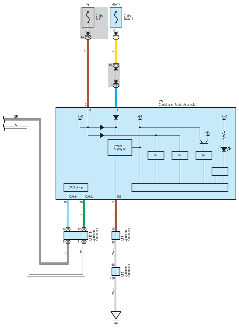
Fig 2: SRS System Wiring Diagram (1 Of 7)
G08862909Courtesy of © TOYOTA, LICENSE AGREEMENT TMS1002
Fig 3: SRS System Wiring Diagram (2 Of 7)
G08862910Courtesy of © TOYOTA, LICENSE AGREEMENT TMS1002
Fig 4: SRS System Wiring Diagram (3 Of 7)
G08862911Courtesy of © TOYOTA, LICENSE AGREEMENT TMS1002
Fig 5: SRS System Wiring Diagram (4 Of 7)
G08862912Courtesy of © TOYOTA, LICENSE AGREEMENT TMS1002
Fig 6: SRS System Wiring Diagram (5 Of 7)
G08862913Courtesy of © TOYOTA, LICENSE AGREEMENT TMS1002
Fig 7: SRS System Wiring Diagram (6 Of 7)
G08862914Courtesy of © TOYOTA, LICENSE AGREEMENT TMS1002
Fig 8: SRS System Wiring Diagram (7 Of 7)
G08862915Courtesy of © TOYOTA, LICENSE AGREEMENT TMS1002