lemon-mirror:
Home >> Toyota >> 2012 >> RAV4 EV >> Repair and Diagnosis >> Electrical >> Body Electrical >> OEM System Circuits >> 4WD >> Notes

OEM System Circuits: 4WD: Notes

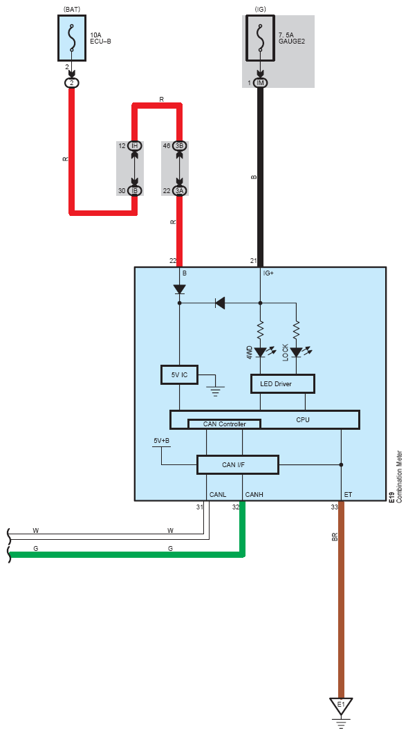
Fig 1: 4WD System Wiring Diagram (1 Of 7)
G08845300Courtesy of © TOYOTA, LICENSE AGREEMENT TMS1002
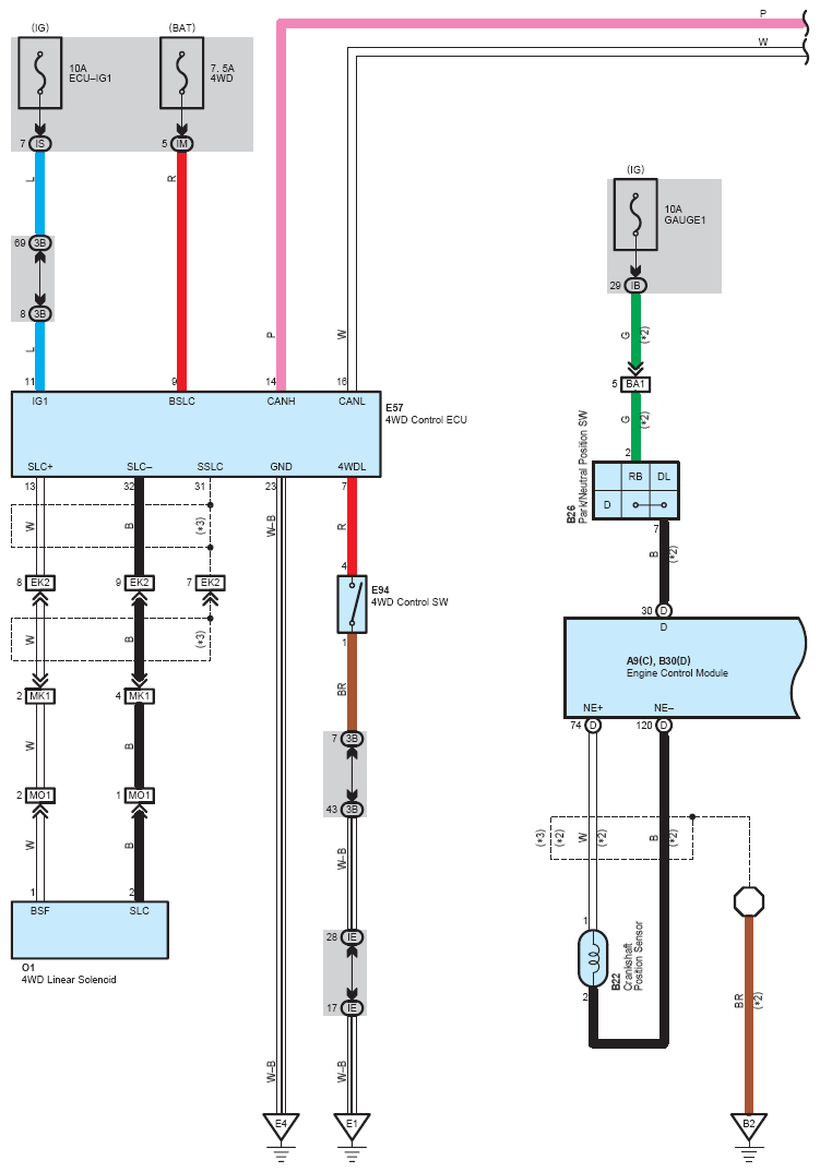
Fig 2: 4WD System Wiring Diagram (2 Of 7)
G08845301Courtesy of © TOYOTA, LICENSE AGREEMENT TMS1002
Fig 3: 4WD System Wiring Diagram (3 Of 7)
G08845302Courtesy of © TOYOTA, LICENSE AGREEMENT TMS1002
Fig 4: 4WD System Wiring Diagram (4 Of 7)
G08845303Courtesy of © TOYOTA, LICENSE AGREEMENT TMS1002
Fig 5: 4WD System Wiring Diagram (5 Of 7)
G08845304Courtesy of © TOYOTA, LICENSE AGREEMENT TMS1002
Fig 6: 4WD System Wiring Diagram (6 Of 7)
G08845305Courtesy of © TOYOTA, LICENSE AGREEMENT TMS1002
Fig 7: 4WD System Wiring Diagram (7 Of 7)
G08845306Courtesy of © TOYOTA, LICENSE AGREEMENT TMS1002