lemon-mirror:
Home >> Toyota >> 2012 >> RAV4 EV >> Repair and Diagnosis >> Electrical >> Body Electrical >> OEM System Circuits >> Engine Control (2AR-FE) >> Notes

Engine Control (2AR-FE): Notes

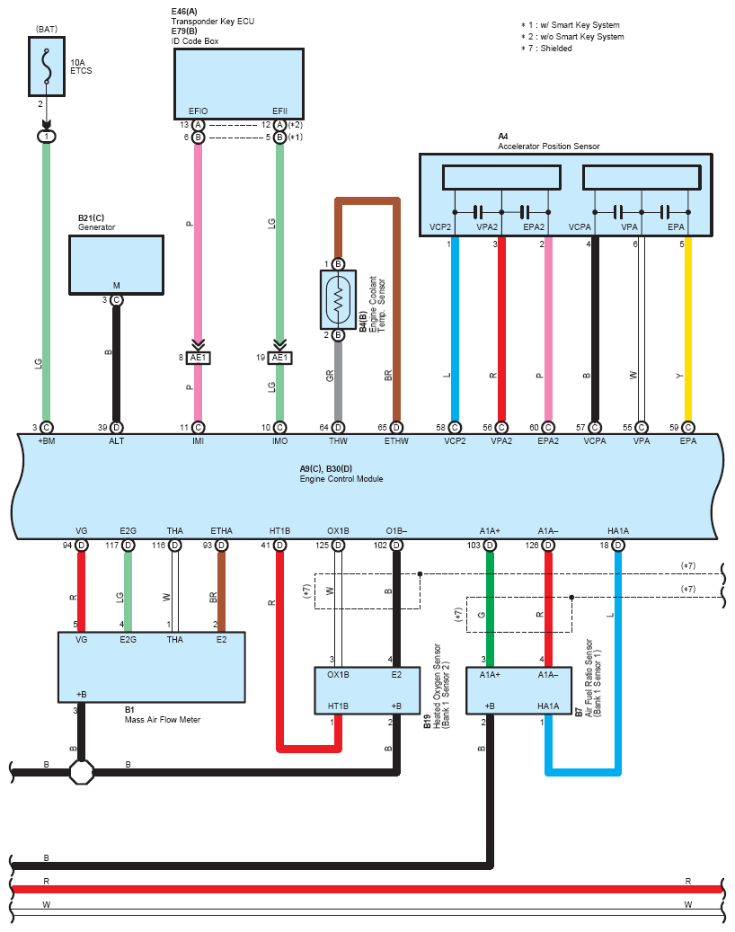
Fig 1: Engine Control System Wiring Diagram (2AR-FE; 1 Of 12)
G08845210Courtesy of © TOYOTA, LICENSE AGREEMENT TMS1002
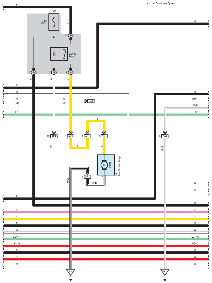
Fig 2: Engine Control System Wiring Diagram (2AR-FE; 2 Of 12)
G08845211Courtesy of © TOYOTA, LICENSE AGREEMENT TMS1002
Fig 3: Engine Control System Wiring Diagram (2AR-FE; 3 Of 12)
G08845212Courtesy of © TOYOTA, LICENSE AGREEMENT TMS1002
Fig 4: Engine Control System Wiring Diagram (2AR-FE; 4 Of 12)
G08845213Courtesy of © TOYOTA, LICENSE AGREEMENT TMS1002
Fig 5: Engine Control System Wiring Diagram (2AR-FE; 5 Of 12)
G08845214Courtesy of © TOYOTA, LICENSE AGREEMENT TMS1002
Fig 6: Engine Control System Wiring Diagram (2AR-FE; 6 Of 12)
G08845215Courtesy of © TOYOTA, LICENSE AGREEMENT TMS1002
Fig 7: Engine Control System Wiring Diagram (2AR-FE; 7 Of 12)
G08845216Courtesy of © TOYOTA, LICENSE AGREEMENT TMS1002
Fig 8: Engine Control System Wiring Diagram (2AR-FE; 8 Of 12)
G08845217Courtesy of © TOYOTA, LICENSE AGREEMENT TMS1002
Fig 9: Engine Control System Wiring Diagram (2AR-FE; 9 Of 12)
G08845218Courtesy of © TOYOTA, LICENSE AGREEMENT TMS1002
Fig 10: Engine Control System Wiring Diagram (2AR-FE; 10 Of 12)
G08845219Courtesy of © TOYOTA, LICENSE AGREEMENT TMS1002
Fig 11: Engine Control System Wiring Diagram (2AR-FE; 11 Of 12)
G08845220Courtesy of © TOYOTA, LICENSE AGREEMENT TMS1002
Fig 12: Engine Control System Wiring Diagram (2AR-FE; 12 Of 12)
G08845221Courtesy of © TOYOTA, LICENSE AGREEMENT TMS1002