lemon-mirror:
Home >> Toyota >> 2012 >> RAV4 EV >> Repair and Diagnosis >> Electrical >> Body Electrical >> OEM System Circuits >> Engine Control (2GR-FE) >> Notes

Engine Control (2GR-FE): Notes

Fig 1: Engine Control System Wiring Diagram (2GR-FE; 1 Of 20)
G08845190Courtesy of © TOYOTA, LICENSE AGREEMENT TMS1002
Fig 2: Engine Control System Wiring Diagram (2GR-FE; 2 Of 20)
G08845191Courtesy of © TOYOTA, LICENSE AGREEMENT TMS1002
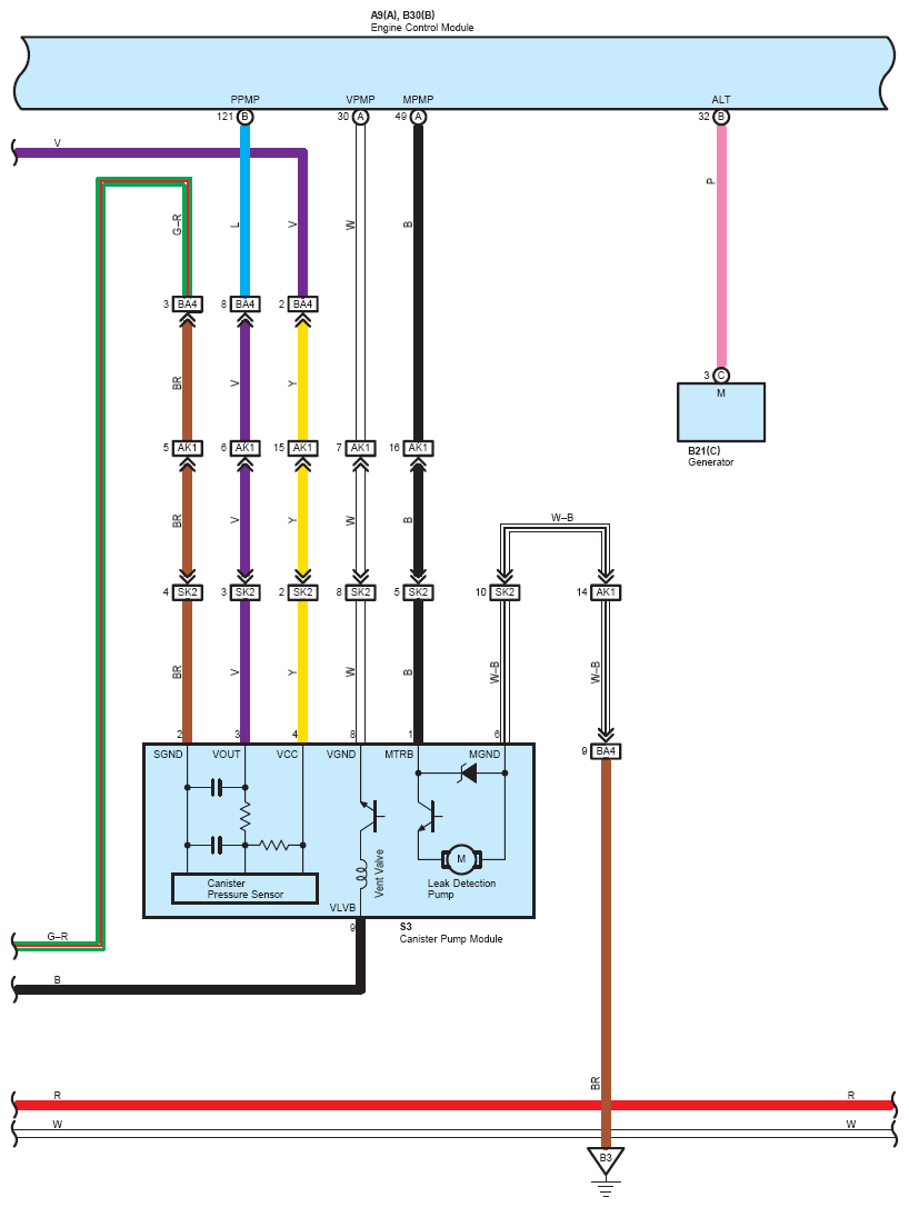
Fig 3: Engine Control System Wiring Diagram (2GR-FE; 3 Of 20)
G08845192Courtesy of © TOYOTA, LICENSE AGREEMENT TMS1002
Fig 4: Engine Control System Wiring Diagram (2GR-FE; 4 Of 20)
G08845193Courtesy of © TOYOTA, LICENSE AGREEMENT TMS1002
Fig 5: Engine Control System Wiring Diagram (2GR-FE; 5 Of 20)
G08845194Courtesy of © TOYOTA, LICENSE AGREEMENT TMS1002
Fig 6: Engine Control System Wiring Diagram (2GR-FE; 6 Of 20)
G08845195Courtesy of © TOYOTA, LICENSE AGREEMENT TMS1002
Fig 7: Engine Control System Wiring Diagram (2GR-FE; 7 Of 20)
G08845196Courtesy of © TOYOTA, LICENSE AGREEMENT TMS1002
Fig 8: Engine Control System Wiring Diagram (2GR-FE; 8 Of 20)
G08845197Courtesy of © TOYOTA, LICENSE AGREEMENT TMS1002
Fig 9: Engine Control System Wiring Diagram (2GR-FE; 9 Of 20)
G08845198Courtesy of © TOYOTA, LICENSE AGREEMENT TMS1002
Fig 10: Engine Control System Wiring Diagram (2GR-FE; 10 Of 20)
G08845199Courtesy of © TOYOTA, LICENSE AGREEMENT TMS1002
Fig 11: Engine Control System Wiring Diagram (2GR-FE; 11 Of 20)
G08845200Courtesy of © TOYOTA, LICENSE AGREEMENT TMS1002
Fig 12: Engine Control System Wiring Diagram (2GR-FE; 12 Of 20)
G08845201Courtesy of © TOYOTA, LICENSE AGREEMENT TMS1002
Fig 13: Engine Control System Wiring Diagram (2GR-FE; 13 Of 20)
G08845202Courtesy of © TOYOTA, LICENSE AGREEMENT TMS1002
Fig 14: Engine Control System Wiring Diagram (2GR-FE; 14 Of 20)
G08845203Courtesy of © TOYOTA, LICENSE AGREEMENT TMS1002
Fig 15: Engine Control System Wiring Diagram (2GR-FE; 15 Of 20)
G08845204Courtesy of © TOYOTA, LICENSE AGREEMENT TMS1002
Fig 16: Engine Control System Wiring Diagram (2GR-FE; 16 Of 20)
G08845205Courtesy of © TOYOTA, LICENSE AGREEMENT TMS1002
Fig 17: Engine Control System Wiring Diagram (2GR-FE; 17 Of 20)
G08845206Courtesy of © TOYOTA, LICENSE AGREEMENT TMS1002
Fig 18: Engine Control System Wiring Diagram (2GR-FE; 18 Of 20)
G08845207Courtesy of © TOYOTA, LICENSE AGREEMENT TMS1002
Fig 19: Engine Control System Wiring Diagram (2GR-FE; 19 Of 20)
G08845208Courtesy of © TOYOTA, LICENSE AGREEMENT TMS1002
Fig 20: Engine Control System Wiring Diagram (2GR-FE; 20 Of 20)
G08845209Courtesy of © TOYOTA, LICENSE AGREEMENT TMS1002