lemon-mirror:
Home >> Toyota >> 2012 >> RAV4 EV >> Repair and Diagnosis >> Electrical >> Body Electrical >> OEM System Circuits >> Horn >> Notes

OEM System Circuits: Horn: Notes

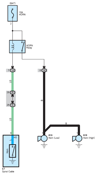
Fig 1: Horn System Wiring Diagram
G08845324Courtesy of © TOYOTA, LICENSE AGREEMENT TMS1002