lemon-mirror:
Home >> Toyota >> 2012 >> RAV4 EV >> Repair and Diagnosis >> Electrical >> Body Electrical >> OEM System Circuits >> Interior Light >> Notes

Interior Light: Notes

Fig 1: Interior Light System Wiring Diagram (1 Of 6)
G08845236Courtesy of © TOYOTA, LICENSE AGREEMENT TMS1002
Fig 2: Interior Light System Wiring Diagram (2 Of 6)
G08845237Courtesy of © TOYOTA, LICENSE AGREEMENT TMS1002
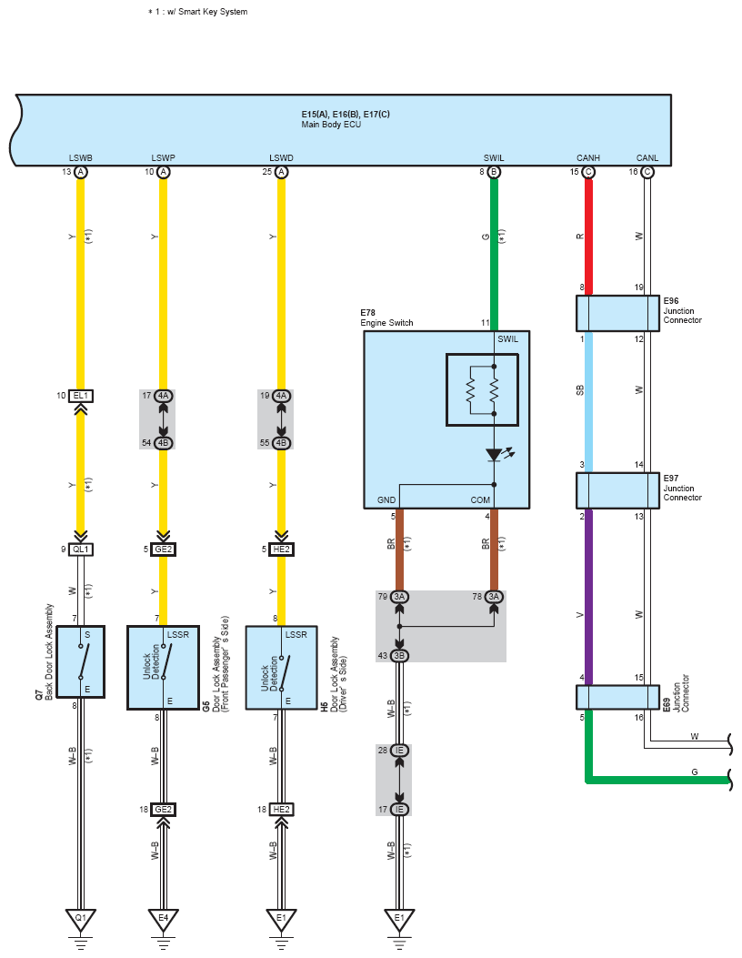
Fig 3: Interior Light System Wiring Diagram (3 Of 6)
G08845238Courtesy of © TOYOTA, LICENSE AGREEMENT TMS1002
Fig 4: Interior Light System Wiring Diagram (4 Of 6)
G08845239Courtesy of © TOYOTA, LICENSE AGREEMENT TMS1002
Fig 5: Interior Light System Wiring Diagram (5 Of 6)
G08845240Courtesy of © TOYOTA, LICENSE AGREEMENT TMS1002
Fig 6: Interior Light System Wiring Diagram (6 Of 6)
G08845241Courtesy of © TOYOTA, LICENSE AGREEMENT TMS1002