lemon-mirror:
Home >> Toyota >> 2012 >> RAV4 EV >> Repair and Diagnosis >> Electrical >> Body Electrical >> OEM System Circuits >> Power Seat >> Notes

Power Seat: Notes

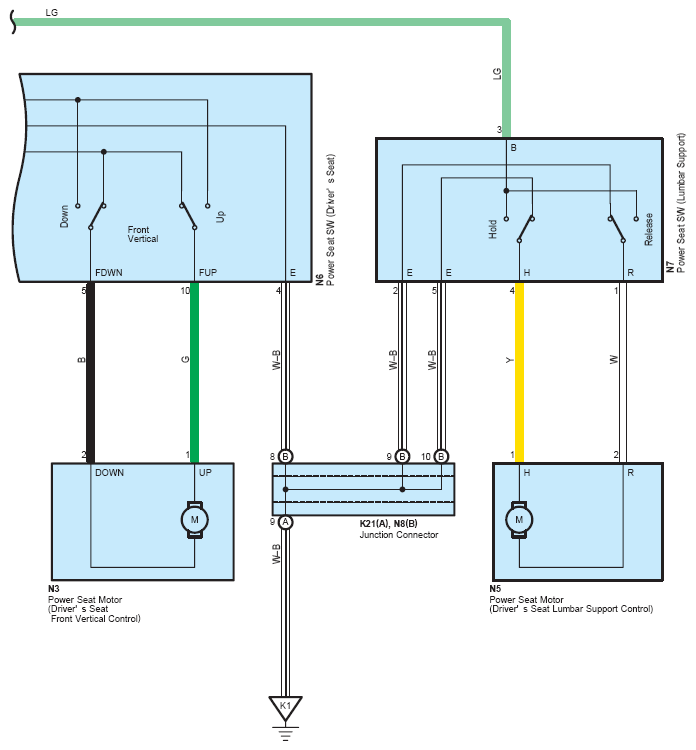
Fig 1: Power Seat System Wiring Diagram (1 Of 2)
G08845254Courtesy of © TOYOTA, LICENSE AGREEMENT TMS1002
Fig 2: Power Seat System Wiring Diagram (2 Of 2)
G08845255Courtesy of © TOYOTA, LICENSE AGREEMENT TMS1002