lemon-mirror:
Home >> Toyota >> 2012 >> RAV4 EV >> Repair and Diagnosis >> Electrical >> Body Electrical >> OEM System Circuits >> Sliding Roof >> Notes

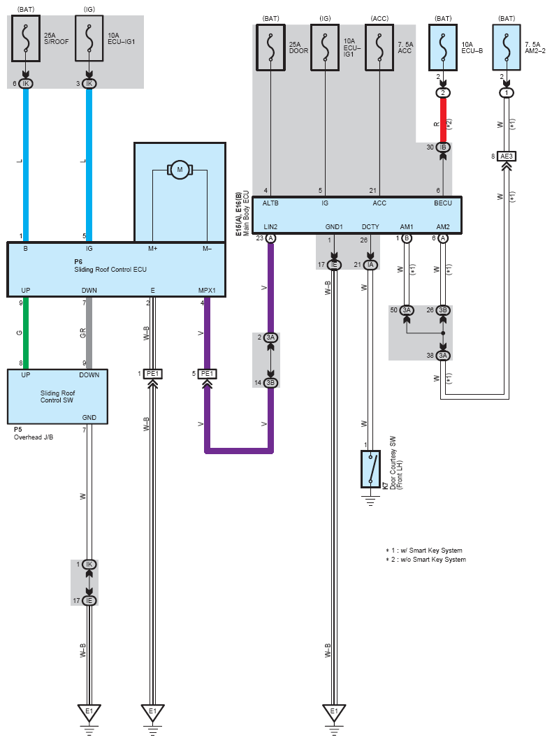
Sliding Roof: Notes

Fig 1: Sliding Roof System Wiring Diagram
G08845323Courtesy of © TOYOTA, LICENSE AGREEMENT TMS1002