lemon-mirror:
Home >> Toyota >> 2012 >> RAV4 EV >> Repair and Diagnosis >> Electrical >> Body Electrical >> OEM System Circuits >> Starting (w/o Smart Key System) >> Notes

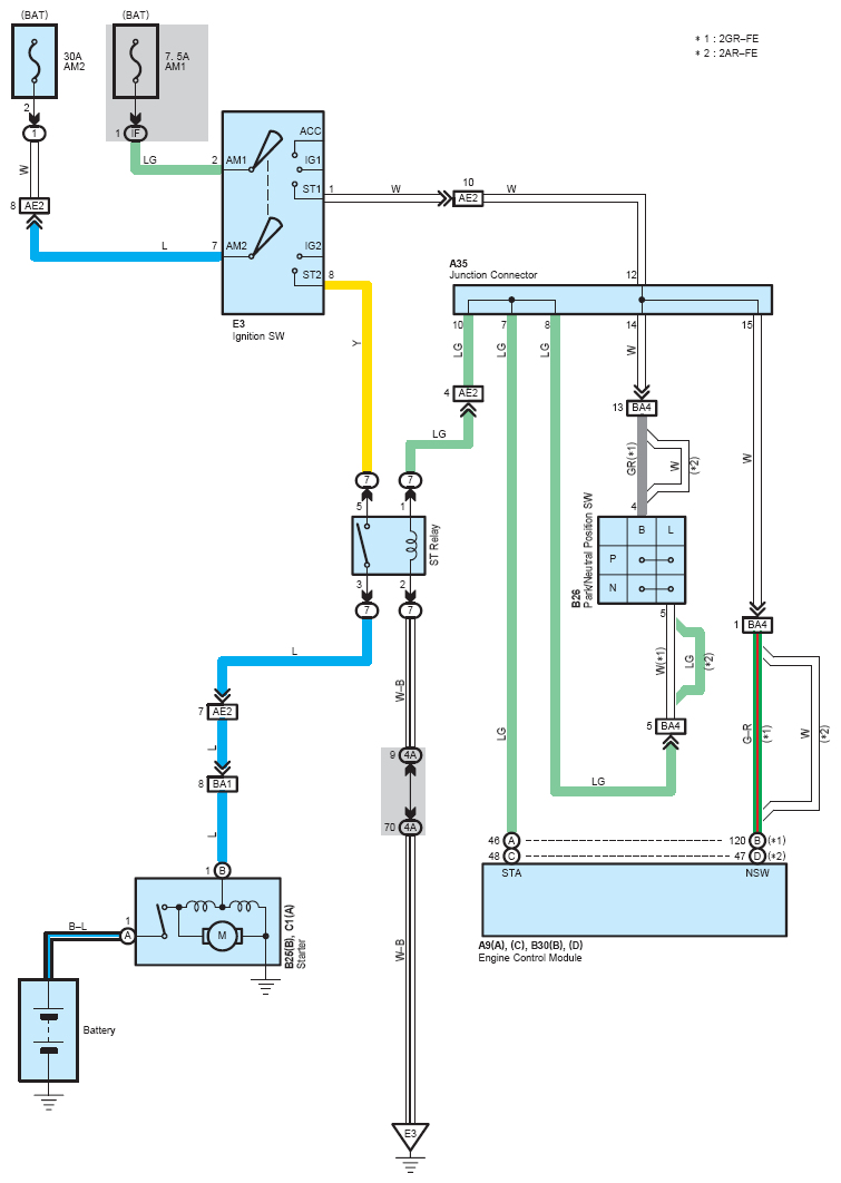
Starting (w/o Smart Key System): Notes

Fig 1: Starting (W/O Smart Key) System Wiring Diagram
G08845180Courtesy of © TOYOTA, LICENSE AGREEMENT TMS1002