lemon-mirror:
Home >> Toyota >> 2012 >> Sienna SE >> Repair and Diagnosis >> Electrical >> Body Electrical >> OEM System Circuits >> EPS >> Notes

OEM System Circuits: EPS: Notes

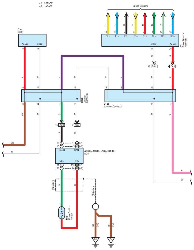
Fig 1: EPS Wiring Diagram (1 Of 3)
G08846287Courtesy of © TOYOTA, LICENSE AGREEMENT TMS1002
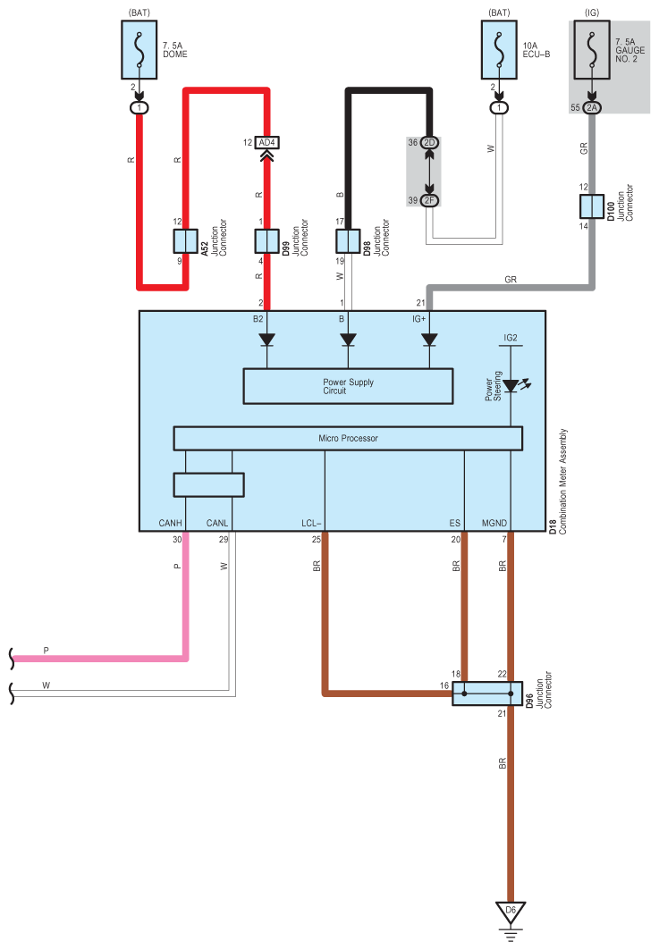
Fig 2: EPS Wiring Diagram (2 Of 3)
G08846288Courtesy of © TOYOTA, LICENSE AGREEMENT TMS1002
Fig 3: EPS Wiring Diagram (3 Of 3)
G08846289Courtesy of © TOYOTA, LICENSE AGREEMENT TMS1002