lemon-mirror:
Home >> Toyota >> 2012 >> Sienna SE >> Repair and Diagnosis >> Electrical >> Body Electrical >> OEM System Circuits >> Power Source >> Notes

Power Source: Notes

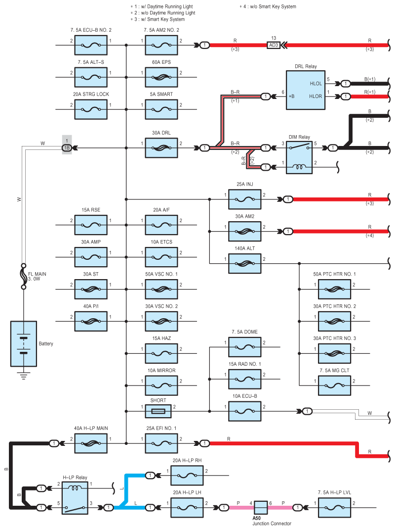
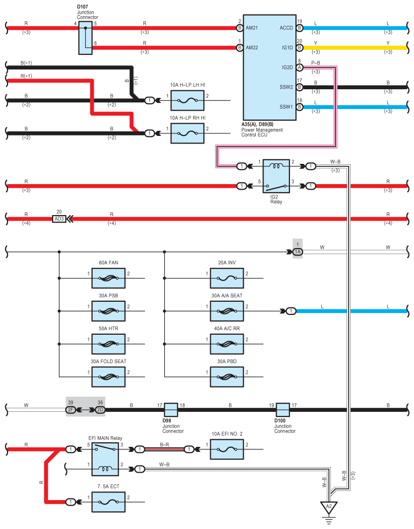
Fig 1: Power Source Wiring Diagram (1 Of 7)
G08846039Courtesy of © TOYOTA, LICENSE AGREEMENT TMS1002
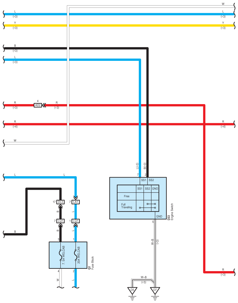
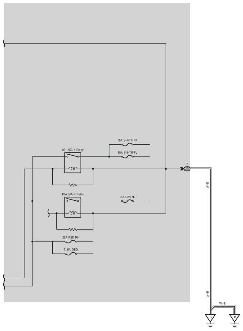
Fig 2: Power Source Wiring Diagram (2 Of 7)
G08846040Courtesy of © TOYOTA, LICENSE AGREEMENT TMS1002
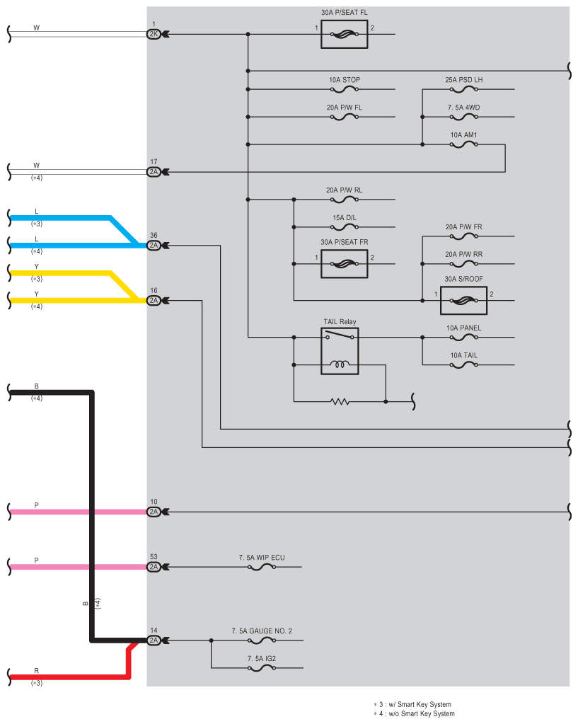
Fig 3: Power Source Wiring Diagram (3 Of 7)
G08846041Courtesy of © TOYOTA, LICENSE AGREEMENT TMS1002
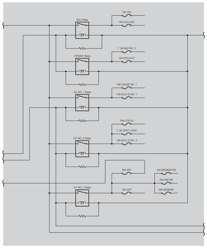
Fig 4: Power Source Wiring Diagram (4 Of 7)
G08846042Courtesy of © TOYOTA, LICENSE AGREEMENT TMS1002
Fig 5: Power Source Wiring Diagram (5 Of 7)
G08846043Courtesy of © TOYOTA, LICENSE AGREEMENT TMS1002
Fig 6: Power Source Wiring Diagram (6 Of 7)
G08846044Courtesy of © TOYOTA, LICENSE AGREEMENT TMS1002
Fig 7: Power Source Wiring Diagram (7 Of 7)
G08846045Courtesy of © TOYOTA, LICENSE AGREEMENT TMS1002