lemon-mirror:
Home >> Toyota >> 2012 >> Sienna SE >> Repair and Diagnosis >> Electrical >> Body Electrical >> OEM System Circuits >> Power Window >> Notes

Power Window: Notes

Fig 1: Power Window Wiring Diagram (1 Of 4)
G08846206Courtesy of © TOYOTA, LICENSE AGREEMENT TMS1002
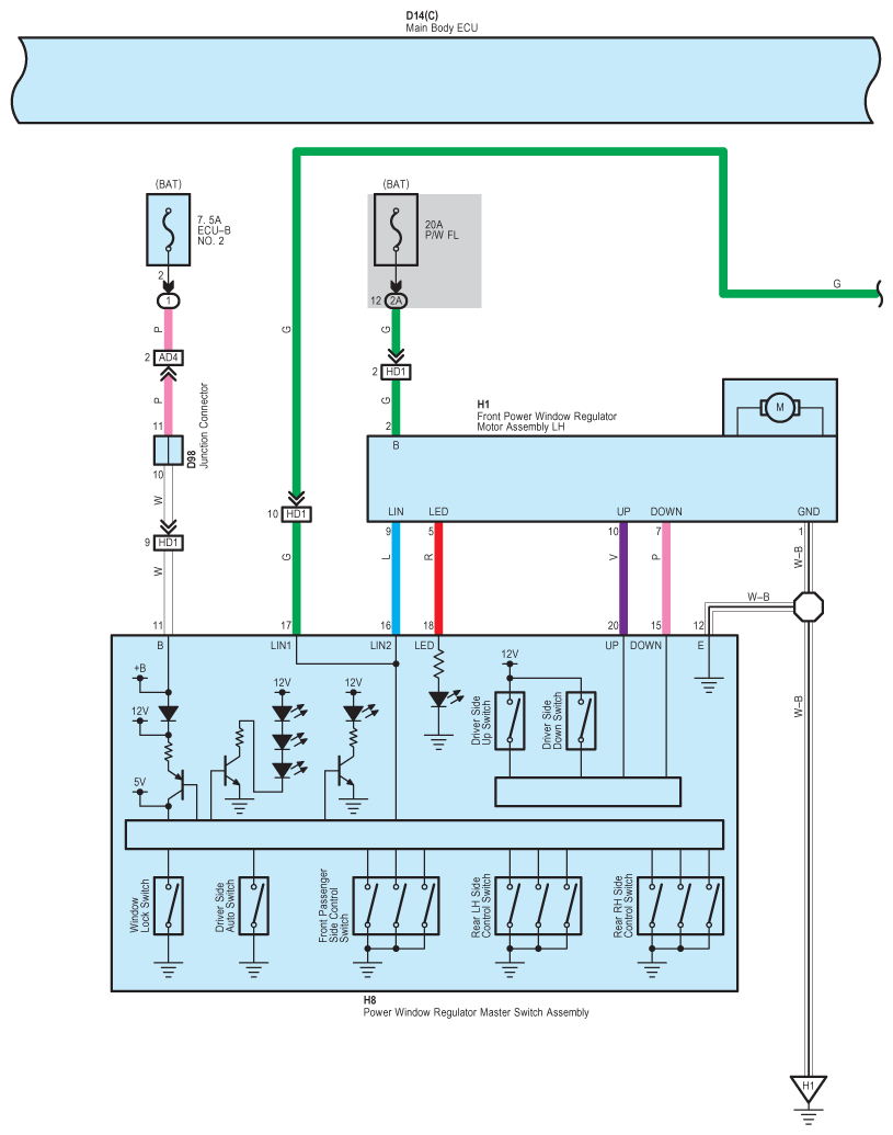
Fig 2: Power Window Wiring Diagram (2 Of 4)
G08846207Courtesy of © TOYOTA, LICENSE AGREEMENT TMS1002
Fig 3: Power Window Wiring Diagram (3 Of 4)
G08846208Courtesy of © TOYOTA, LICENSE AGREEMENT TMS1002
Fig 4: Power Window Wiring Diagram (4 Of 4)
G08846209Courtesy of © TOYOTA, LICENSE AGREEMENT TMS1002