lemon-mirror:
Home >> Toyota >> 2012 >> Sienna SE >> Repair and Diagnosis >> Electrical >> Body Electrical >> OEM System Circuits >> Safety Connect >> Notes

Safety Connect: Notes

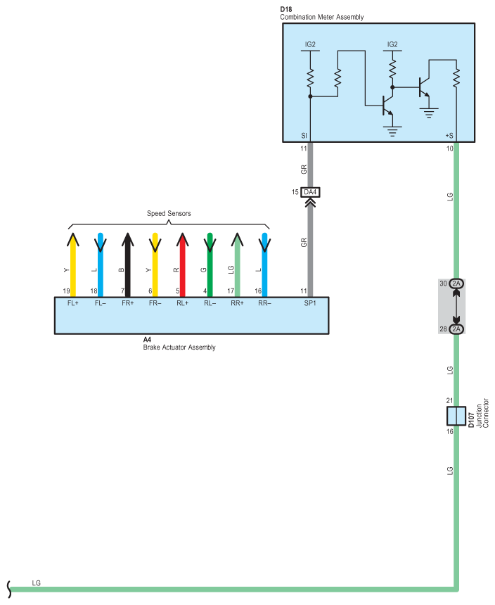
Fig 1: Safety Connect Wiring Diagram (1 Of 3)
G08846335Courtesy of © TOYOTA, LICENSE AGREEMENT TMS1002
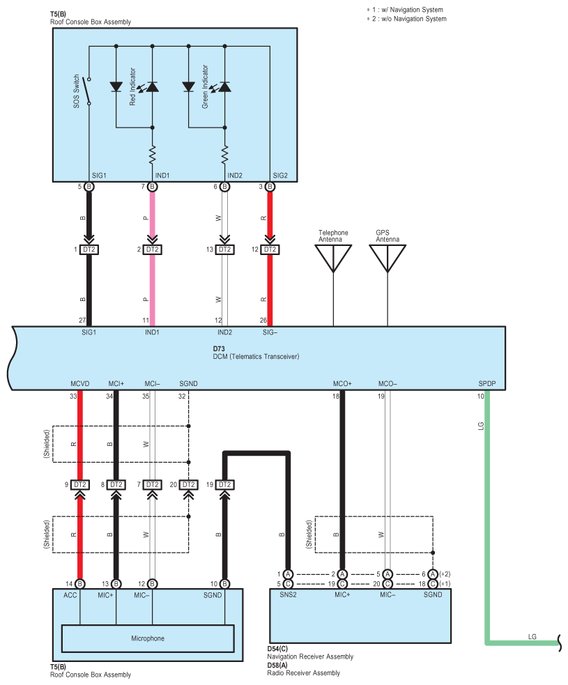
Fig 2: Safety Connect Wiring Diagram (2 Of 3)
G08846336Courtesy of © TOYOTA, LICENSE AGREEMENT TMS1002
Fig 3: Safety Connect Wiring Diagram (3 Of 3)
G08846337Courtesy of © TOYOTA, LICENSE AGREEMENT TMS1002