lemon-mirror:
Home >> Toyota >> 2012 >> Sienna SE >> Repair and Diagnosis >> Electrical >> Body Electrical >> OEM System Circuits >> Shift Lock >> Notes

Shift Lock: Notes

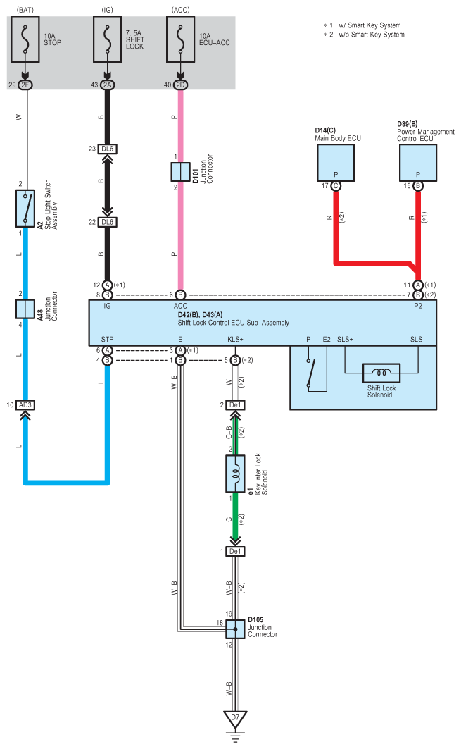
Fig 1: Shift Lock Wiring Diagram
G08846296Courtesy of © TOYOTA, LICENSE AGREEMENT TMS1002