lemon-mirror:
Home >> Toyota >> 2012 >> Sienna XLE, FWD >> Repair and Diagnosis >> Electrical >> Body Electrical >> OEM System Circuits >> Door Lock Control >> Notes

Door Lock Control: Notes

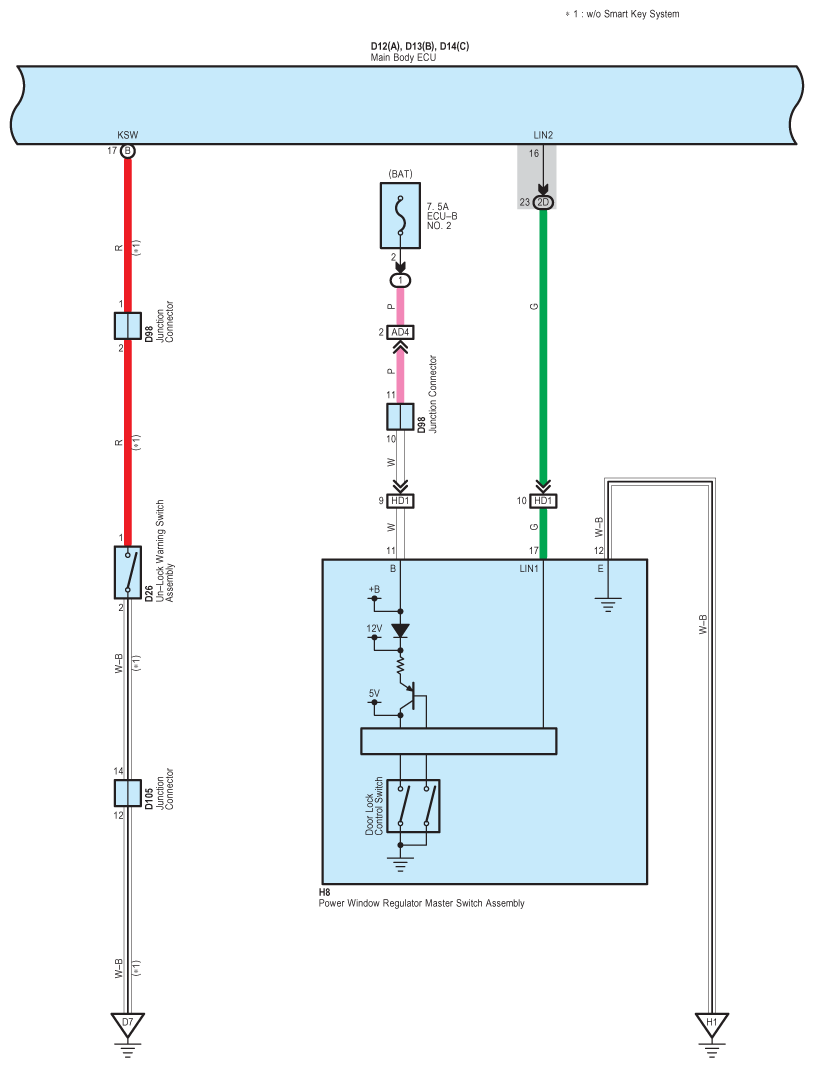
Fig 1: Door Lock Control System Wiring Diagram (1 Of 8)
G08846212Courtesy of © TOYOTA, LICENSE AGREEMENT TMS1002
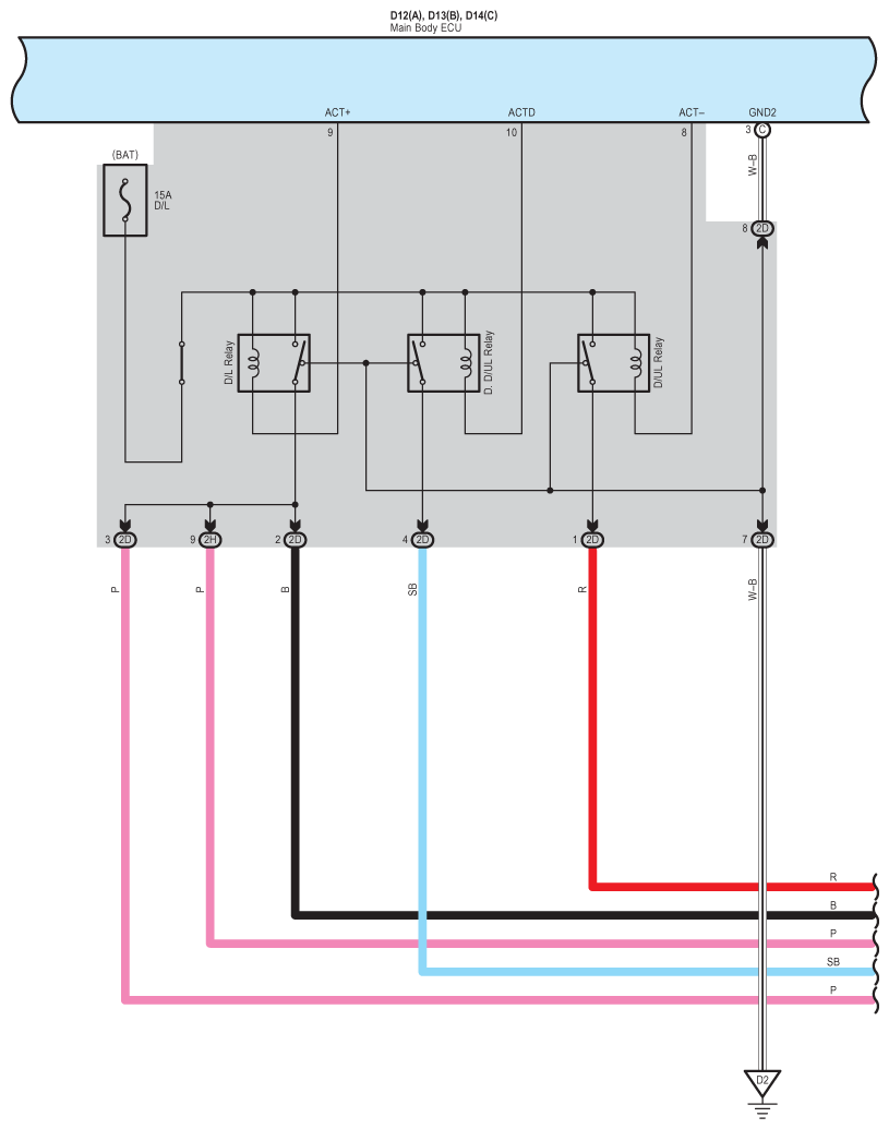
Fig 2: Door Lock Control System Wiring Diagram (2 Of 8)
G08846213Courtesy of © TOYOTA, LICENSE AGREEMENT TMS1002
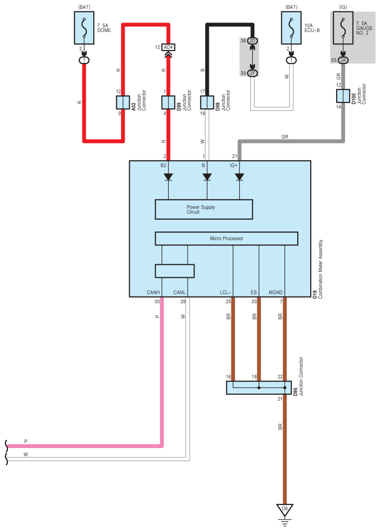
Fig 3: Door Lock Control System Wiring Diagram (3 Of 8)
G08846214Courtesy of © TOYOTA, LICENSE AGREEMENT TMS1002
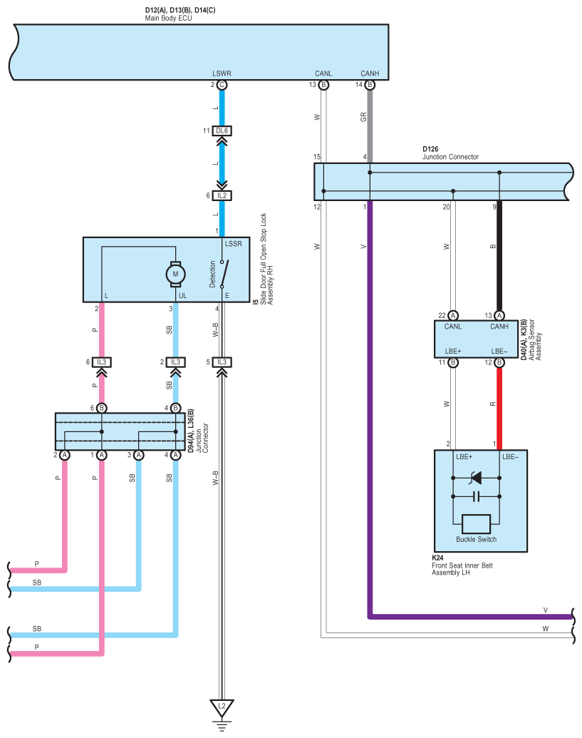
Fig 4: Door Lock Control System Wiring Diagram (4 Of 8)
G08846215Courtesy of © TOYOTA, LICENSE AGREEMENT TMS1002
Fig 5: Door Lock Control System Wiring Diagram (5 Of 8)
G08846216Courtesy of © TOYOTA, LICENSE AGREEMENT TMS1002
Fig 6: Door Lock Control System Wiring Diagram (6 Of 8)
G08846217Courtesy of © TOYOTA, LICENSE AGREEMENT TMS1002
Fig 7: Door Lock Control System Wiring Diagram (7 Of 8)
G08846218Courtesy of © TOYOTA, LICENSE AGREEMENT TMS1002
Fig 8: Door Lock Control System Wiring Diagram (8 Of 8)
G08846219Courtesy of © TOYOTA, LICENSE AGREEMENT TMS1002