lemon-mirror:
Home >> Toyota >> 2012 >> Sienna XLE, FWD >> Repair and Diagnosis >> Electrical >> Body Electrical >> OEM System Circuits >> Sliding Roof >> Notes

Sliding Roof: Notes

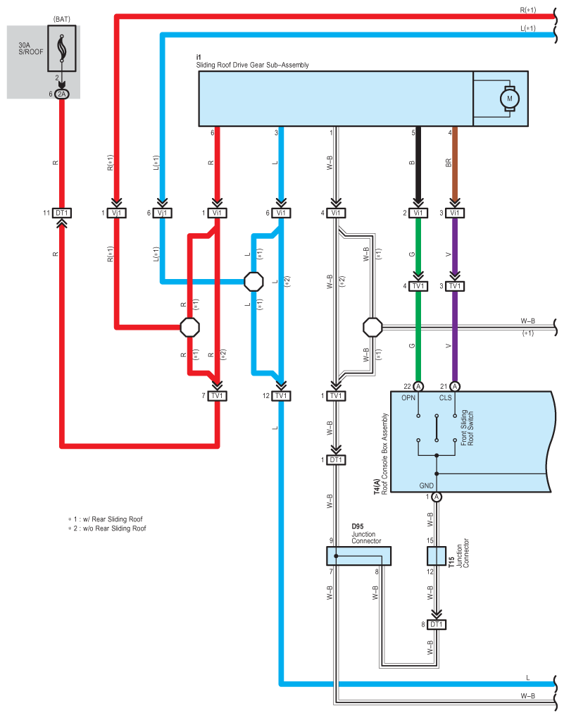
Fig 1: Sliding Roof Wiring Diagram (1 Of 4)
G08846292Courtesy of © TOYOTA, LICENSE AGREEMENT TMS1002
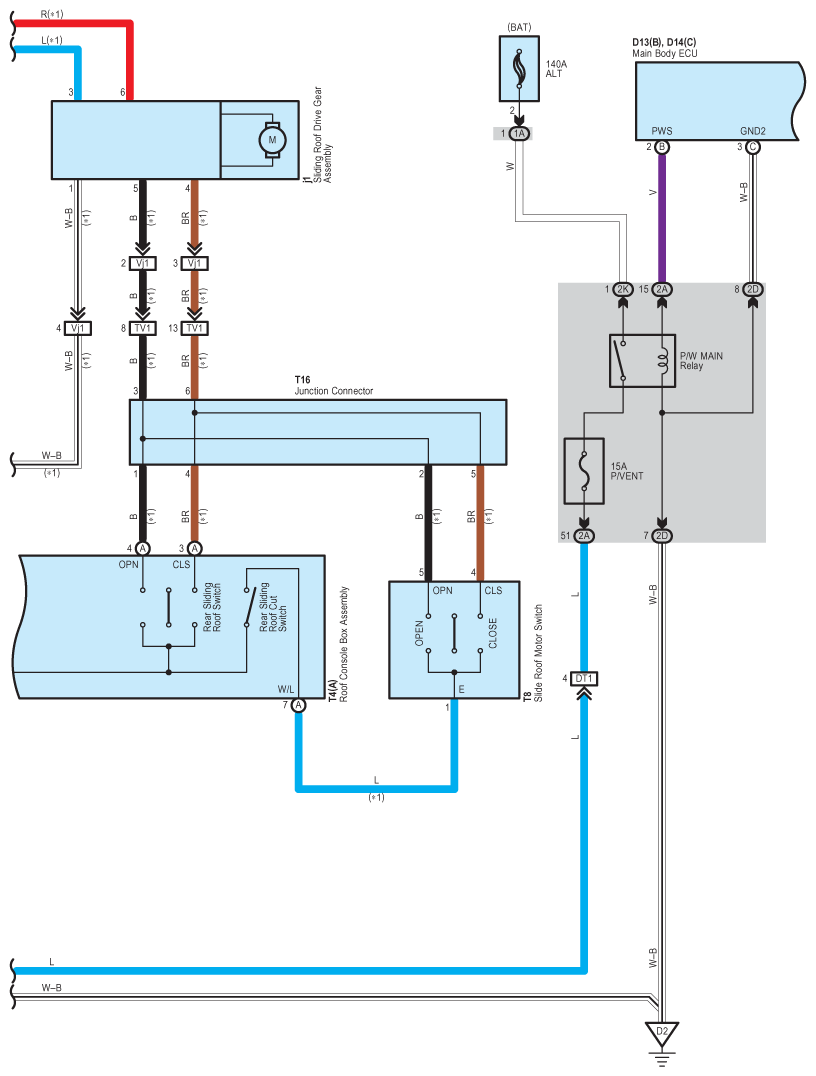
Fig 2: Sliding Roof Wiring Diagram (2 Of 4)
G08846293Courtesy of © TOYOTA, LICENSE AGREEMENT TMS1002
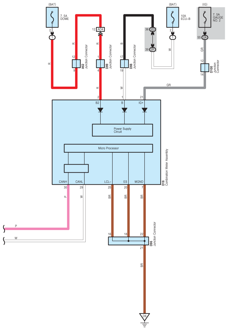
Fig 3: Sliding Roof Wiring Diagram (3 Of 4)
G08846294Courtesy of © TOYOTA, LICENSE AGREEMENT TMS1002
Fig 4: Sliding Roof Wiring Diagram (4 Of 4)
G08846295Courtesy of © TOYOTA, LICENSE AGREEMENT TMS1002