lemon-mirror:
Home >> Toyota >> 2012 >> Yaris Base, Automatic Trans >> Repair and Diagnosis >> Electrical >> Body Electrical >> OEM System Circuits >> Power Source (S/D) >> Notes

Power Source (S/D): Notes

Fig 1: Power Source (S/D) - Circuit Diagram (1 Of 4)
G08949372Courtesy of © TOYOTA, LICENSE AGREEMENT TMS1002
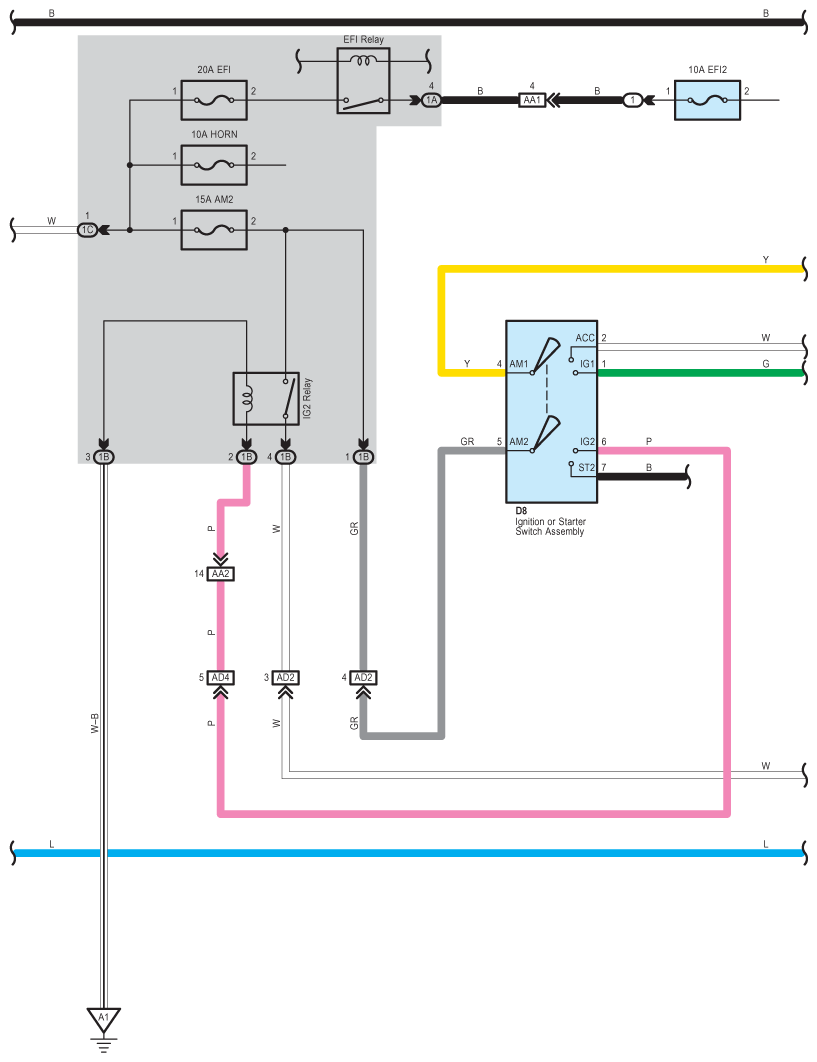
Fig 2: Power Source (S/D) - Circuit Diagram (2 Of 4)
G08949373Courtesy of © TOYOTA, LICENSE AGREEMENT TMS1002
Fig 3: Power Source (S/D) - Circuit Diagram (3 Of 4)
G08949374Courtesy of © TOYOTA, LICENSE AGREEMENT TMS1002
Fig 4: Power Source (S/D) - Circuit Diagram (4 Of 4)
G08949375Courtesy of © TOYOTA, LICENSE AGREEMENT TMS1002