lemon-mirror:
Home >> Toyota >> 2012 >> Yaris Base, Automatic Trans >> Repair and Diagnosis >> Electrical >> Body Electrical >> OEM System Circuits >> Power Window (S/D) >> Notes

Power Window (S/D): Notes

Fig 1: Power Window (S/D) - Circuit Diagram (1 Of 3)
G08949444Courtesy of © TOYOTA, LICENSE AGREEMENT TMS1002
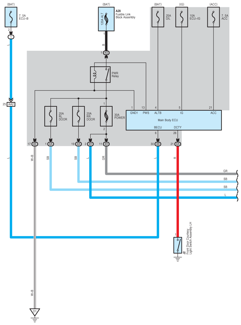
Fig 2: Power Window (S/D) - Circuit Diagram (2 Of 3)
G08949445Courtesy of © TOYOTA, LICENSE AGREEMENT TMS1002
Fig 3: Power Window (S/D) - Circuit Diagram (3 Of 3)
G08949446Courtesy of © TOYOTA, LICENSE AGREEMENT TMS1002