lemon-mirror:
Home >> Toyota >> 2012 >> Yaris Base, Automatic Trans >> Repair and Diagnosis >> Electrical >> Body Electrical >> OEM System Circuits >> Remote Control Mirror (S/D) >> Notes

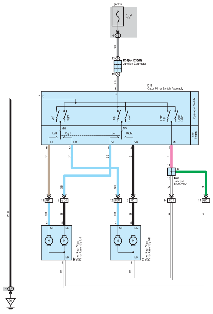
Remote Control Mirror (S/D): Notes

Fig 1: Remote Control Mirror (S/D) - Circuit Diagram
G08949469Courtesy of © TOYOTA, LICENSE AGREEMENT TMS1002