lemon-mirror:
Home >> Toyota >> 2012 >> Yaris Base, Automatic Trans >> Repair and Diagnosis >> Electrical >> Body Electrical >> OEM System Circuits >> Starting (S/D) >> Notes

Starting (S/D): Notes

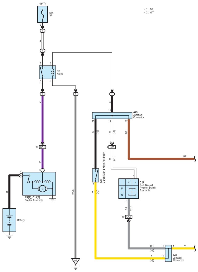
Fig 1: Starting (S/D) - Circuit Diagram (1 Of 2)
G08949376Courtesy of © TOYOTA, LICENSE AGREEMENT TMS1002
Fig 2: Starting (S/D) - Circuit Diagram (2 Of 2)
G08949377Courtesy of © TOYOTA, LICENSE AGREEMENT TMS1002