lemon-mirror:
Home >> Toyota >> 2013 >> 4Runner Trail >> Repair and Diagnosis >> Electrical >> Body Electrical >> OEM System Circuits >> Accessory Meter >> Notes

Accessory Meter: Notes

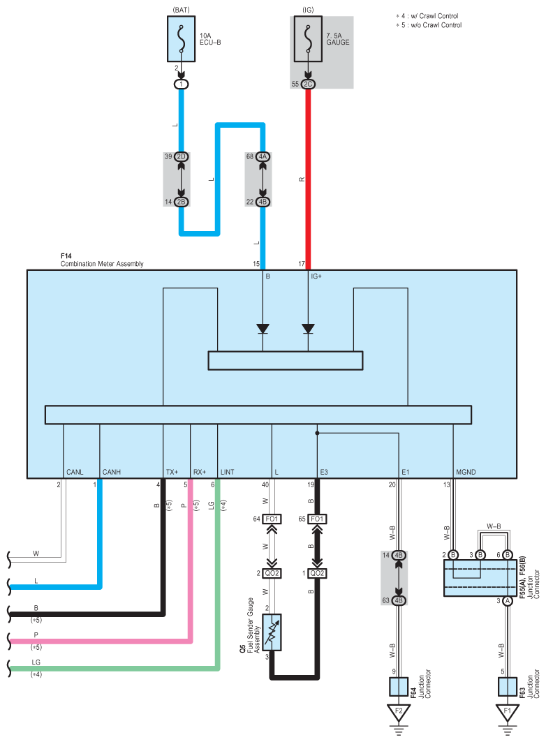
Fig 1: Accessory Meter - Circuit Diagram (1 Of 5)
G08950400Courtesy of © TOYOTA, LICENSE AGREEMENT TMS1002
Fig 2: Accessory Meter - Circuit Diagram (2 Of 5)
G08950401Courtesy of © TOYOTA, LICENSE AGREEMENT TMS1002
Fig 3: Accessory Meter - Circuit Diagram (3 Of 5)
G08950402Courtesy of © TOYOTA, LICENSE AGREEMENT TMS1002
Fig 4: Accessory Meter - Circuit Diagram (4 Of 5)
G08950403Courtesy of © TOYOTA, LICENSE AGREEMENT TMS1002
Fig 5: Accessory Meter - Circuit Diagram (5 Of 5)
G08950404Courtesy of © TOYOTA, LICENSE AGREEMENT TMS1002