lemon-mirror:
Home >> Toyota >> 2013 >> 4Runner Trail >> Repair and Diagnosis >> Electrical >> Body Electrical >> OEM System Circuits >> Automatic Light Control and Light Auto Turn Off System >> Notes

Automatic Light Control and Light Auto Turn Off System: Notes

Fig 1: Automatic Light Control And Light Auto Turn Off System - Circuit Diagram (1 Of 7)
G08950258Courtesy of © TOYOTA, LICENSE AGREEMENT TMS1002
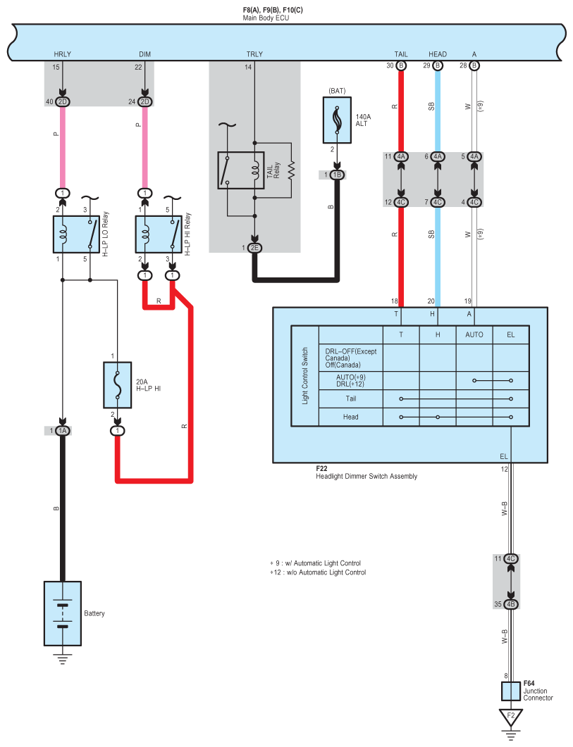
Fig 2: Automatic Light Control And Light Auto Turn Off System - Circuit Diagram (2 Of 7)
G08950259Courtesy of © TOYOTA, LICENSE AGREEMENT TMS1002
Fig 3: Automatic Light Control And Light Auto Turn Off System - Circuit Diagram (3 Of 7)
G08950260Courtesy of © TOYOTA, LICENSE AGREEMENT TMS1002
Fig 4: Automatic Light Control And Light Auto Turn Off System - Circuit Diagram (4 Of 7)
G08950261Courtesy of © TOYOTA, LICENSE AGREEMENT TMS1002
Fig 5: Automatic Light Control And Light Auto Turn Off System - Circuit Diagram (5 Of 7)
G08950262Courtesy of © TOYOTA, LICENSE AGREEMENT TMS1002
Fig 6: Automatic Light Control And Light Auto Turn Off System - Circuit Diagram (6 Of 7)
G08950263Courtesy of © TOYOTA, LICENSE AGREEMENT TMS1002
Fig 7: Automatic Light Control And Light Auto Turn Off System - Circuit Diagram (7 Of 7)
G08950264Courtesy of © TOYOTA, LICENSE AGREEMENT TMS1002