lemon-mirror:
Home >> Toyota >> 2013 >> 4Runner Trail >> Repair and Diagnosis >> Electrical >> Body Electrical >> OEM System Circuits >> Front Fog Light >> Notes

Front Fog Light: Notes

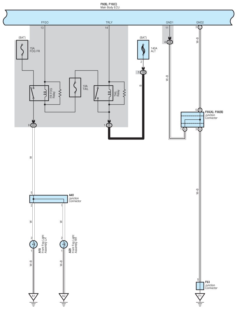
Fig 1: Front Fog Light - Circuit Diagram (1 Of 5)
G08950220Courtesy of © TOYOTA, LICENSE AGREEMENT TMS1002
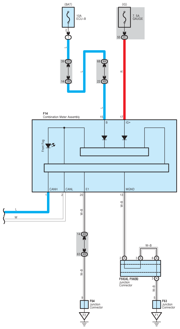
Fig 2: Front Fog Light - Circuit Diagram (2 Of 5)
G08950221Courtesy of © TOYOTA, LICENSE AGREEMENT TMS1002
Fig 3: Front Fog Light - Circuit Diagram (3 Of 5)
G08950222Courtesy of © TOYOTA, LICENSE AGREEMENT TMS1002
Fig 4: Front Fog Light - Circuit Diagram (4 Of 5)
G08950223Courtesy of © TOYOTA, LICENSE AGREEMENT TMS1002
Fig 5: Front Fog Light - Circuit Diagram (5 Of 5)
G08950224Courtesy of © TOYOTA, LICENSE AGREEMENT TMS1002