lemon-mirror:
Home >> Toyota >> 2013 >> 4Runner Trail >> Repair and Diagnosis >> Electrical >> Body Electrical >> OEM System Circuits >> Interior Light >> Notes

Interior Light: Notes

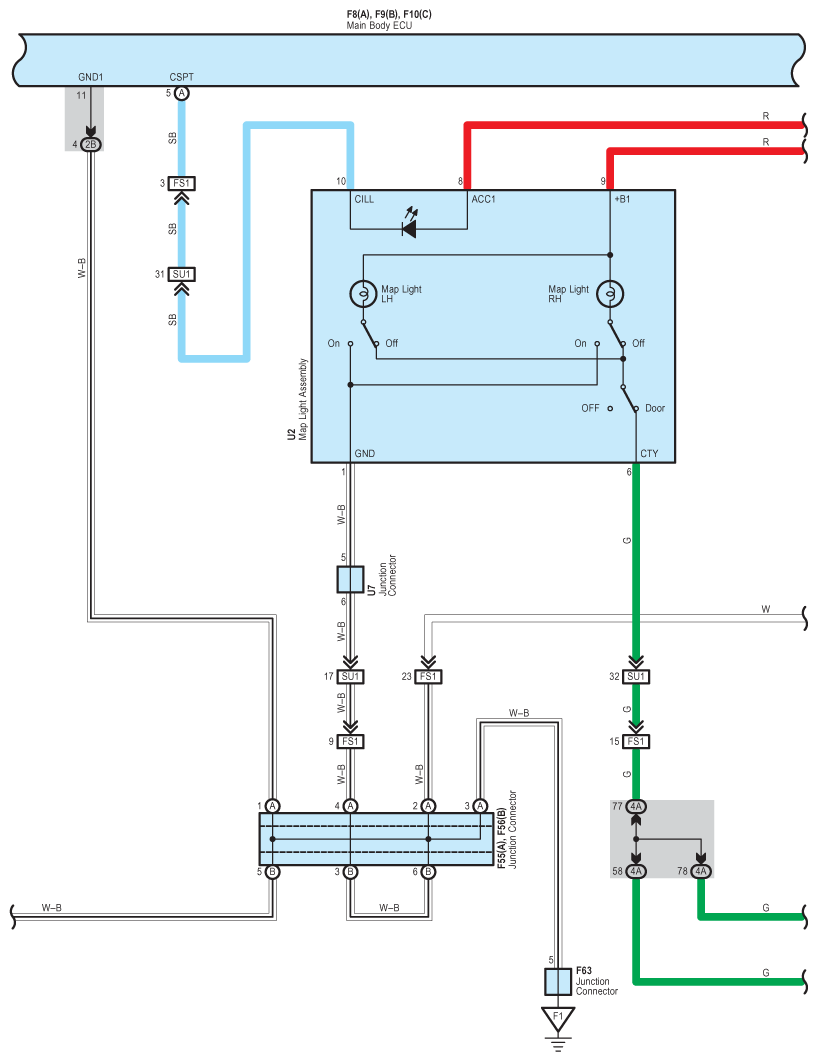
Fig 1: Interior Light - Circuit Diagram (1 Of 10)
G08950236Courtesy of © TOYOTA, LICENSE AGREEMENT TMS1002
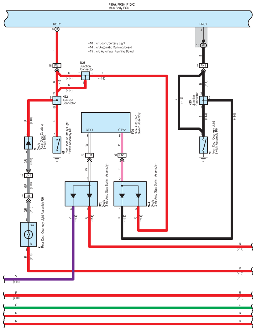
Fig 2: Interior Light - Circuit Diagram (2 Of 10)
G08950237Courtesy of © TOYOTA, LICENSE AGREEMENT TMS1002
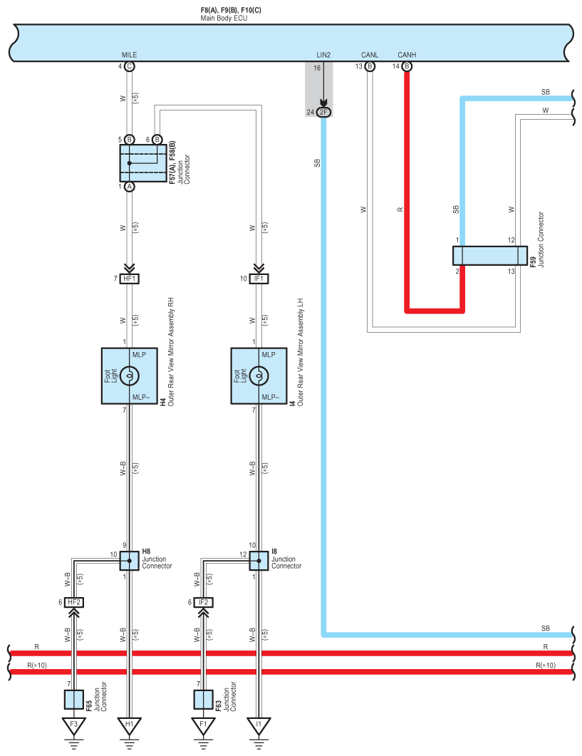
Fig 3: Interior Light - Circuit Diagram (3 Of 10)
G08950238Courtesy of © TOYOTA, LICENSE AGREEMENT TMS1002
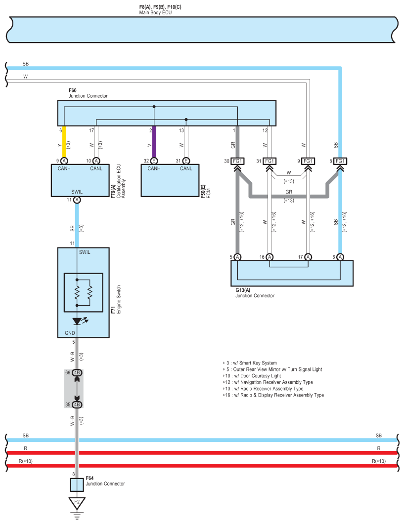
Fig 4: Interior Light - Circuit Diagram (4 Of 10)
G08950239Courtesy of © TOYOTA, LICENSE AGREEMENT TMS1002
Fig 5: Interior Light - Circuit Diagram (5 Of 10)
G08950240Courtesy of © TOYOTA, LICENSE AGREEMENT TMS1002
Fig 6: Interior Light - Circuit Diagram (6 Of 10)
G08950241Courtesy of © TOYOTA, LICENSE AGREEMENT TMS1002
Fig 7: Interior Light - Circuit Diagram (7 Of 10)
G08950242Courtesy of © TOYOTA, LICENSE AGREEMENT TMS1002
Fig 8: Interior Light - Circuit Diagram (8 Of 10)
G08950243Courtesy of © TOYOTA, LICENSE AGREEMENT TMS1002
Fig 9: Interior Light - Circuit Diagram (9 Of 10)
G08950244Courtesy of © TOYOTA, LICENSE AGREEMENT TMS1002
Fig 10: Interior Light - Circuit Diagram (10 Of 10)
G08950245Courtesy of © TOYOTA, LICENSE AGREEMENT TMS1002