lemon-mirror:
Home >> Toyota >> 2013 >> 4Runner Trail >> Repair and Diagnosis >> Electrical >> Body Electrical >> OEM System Circuits >> Power Steering >> Notes

Power Steering: Notes

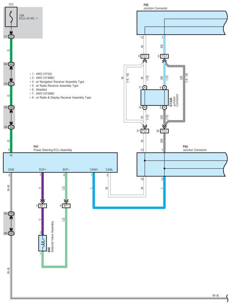
Fig 1: Power Steering - Circuit Diagram (1 Of 5)
G08950350Courtesy of © TOYOTA, LICENSE AGREEMENT TMS1002
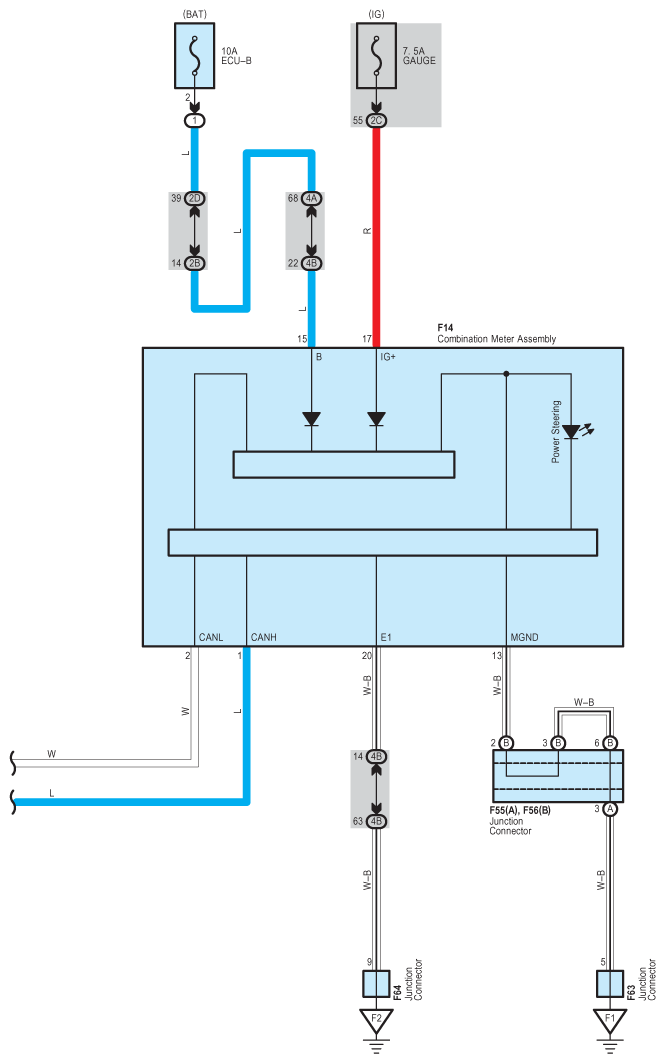
Fig 2: Power Steering - Circuit Diagram (2 Of 5)
G08950351Courtesy of © TOYOTA, LICENSE AGREEMENT TMS1002
Fig 3: Power Steering - Circuit Diagram (3 Of 5)
G08950352Courtesy of © TOYOTA, LICENSE AGREEMENT TMS1002
Fig 4: Power Steering - Circuit Diagram (4 Of 5)
G08950353Courtesy of © TOYOTA, LICENSE AGREEMENT TMS1002
Fig 5: Power Steering - Circuit Diagram (5 Of 5)
G08950354Courtesy of © TOYOTA, LICENSE AGREEMENT TMS1002