lemon-mirror:
Home >> Toyota >> 2013 >> 4Runner Trail >> Repair and Diagnosis >> Electrical >> Body Electrical >> OEM System Circuits >> SRS >> Notes

OEM System Circuits: SRS: Notes

NOTE: When inspecting or repairing the SRS, perform service in accordance with the following precautionary instructions and the procedure, and precautions in the Repair Information applicable for the model year.
Fig 1: SRS - Circuit Diagram (1 Of 9)
G08950335Courtesy of © TOYOTA, LICENSE AGREEMENT TMS1002
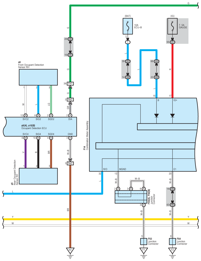
Fig 2: SRS - Circuit Diagram (2 Of 9)
G08950336Courtesy of © TOYOTA, LICENSE AGREEMENT TMS1002
Fig 3: SRS - Circuit Diagram (3 Of 9)
G08950337Courtesy of © TOYOTA, LICENSE AGREEMENT TMS1002
Fig 4: SRS - Circuit Diagram (4 Of 9)
G08950338Courtesy of © TOYOTA, LICENSE AGREEMENT TMS1002
Fig 5: SRS - Circuit Diagram (5 Of 9)
G08950339Courtesy of © TOYOTA, LICENSE AGREEMENT TMS1002
Fig 6: SRS - Circuit Diagram (6 Of 9)
G08950340Courtesy of © TOYOTA, LICENSE AGREEMENT TMS1002
Fig 7: SRS - Circuit Diagram (7 Of 9)
G08950341Courtesy of © TOYOTA, LICENSE AGREEMENT TMS1002
Fig 8: SRS - Circuit Diagram (8 Of 9)
G08950342Courtesy of © TOYOTA, LICENSE AGREEMENT TMS1002
Fig 9: SRS - Circuit Diagram (9 Of 9)
G08950343Courtesy of © TOYOTA, LICENSE AGREEMENT TMS1002