lemon-mirror:
Home >> Toyota >> 2013 >> 4Runner Trail >> Repair and Diagnosis >> Electrical >> Body Electrical >> OEM System Circuits >> Sliding Roof >> Notes

Sliding Roof: Notes

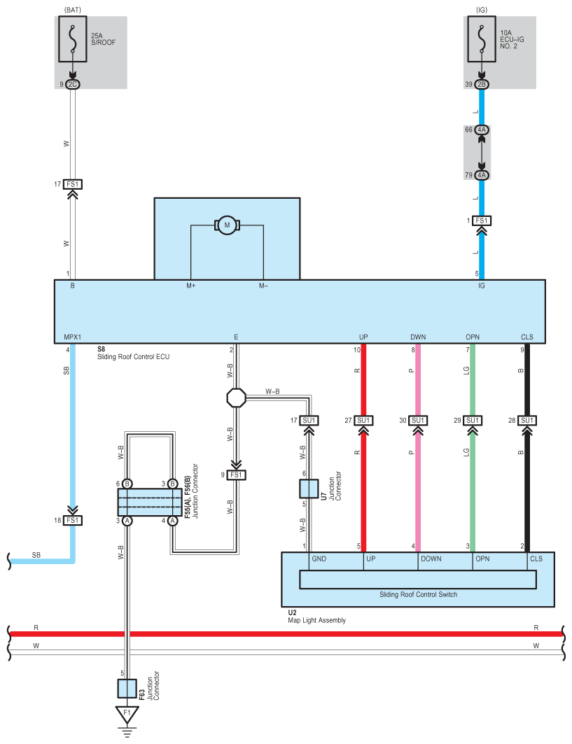
Fig 1: Sliding Roof - Circuit Diagram (1 Of 5)
G08950371Courtesy of © TOYOTA, LICENSE AGREEMENT TMS1002
Fig 2: Sliding Roof - Circuit Diagram (2 Of 5)
G08950372Courtesy of © TOYOTA, LICENSE AGREEMENT TMS1002
Fig 3: Sliding Roof - Circuit Diagram (3 Of 5)
G08950373Courtesy of © TOYOTA, LICENSE AGREEMENT TMS1002
Fig 4: Sliding Roof - Circuit Diagram (4 Of 5)
G08950374Courtesy of © TOYOTA, LICENSE AGREEMENT TMS1002
Fig 5: Sliding Roof - Circuit Diagram (5 Of 5)
G08950375Courtesy of © TOYOTA, LICENSE AGREEMENT TMS1002