lemon-mirror:
Home >> Toyota >> 2013 >> Avalon XLE >> Repair and Diagnosis >> Electrical >> Body Electrical >> OEM System Circuits >> Back-Up Light >> Notes

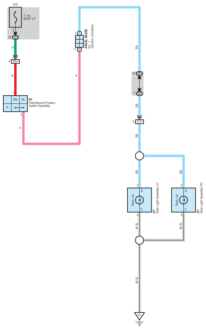
Back-Up Light: Notes

Fig 1: Back-Up Light System Wiring Diagram
G09095427Courtesy of © TOYOTA, LICENSE AGREEMENT TMS1002