lemon-mirror:
Home >> Toyota >> 2013 >> Corolla Base, Automatic Trans >> Repair and Diagnosis >> Electrical >> Body Electrical >> OEM System Circuits >> Remote Control Mirror (Except TMC Made) >> Notes

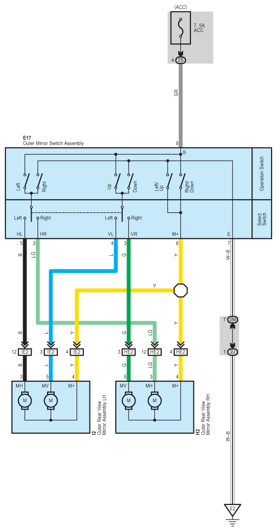
Remote Control Mirror (Except TMC Made): Notes

Fig 1: Remote Control Mirror System Wiring Diagram (Except TMC Made)
G09106694Courtesy of © TOYOTA, LICENSE AGREEMENT TMS1002