lemon-mirror:
Home >> Toyota >> 2013 >> FJ Cruiser RWD >> Repair and Diagnosis >> Electrical >> Body Electrical >> OEM System Circuits >> Accessory Meter >> Notes

Accessory Meter: Notes

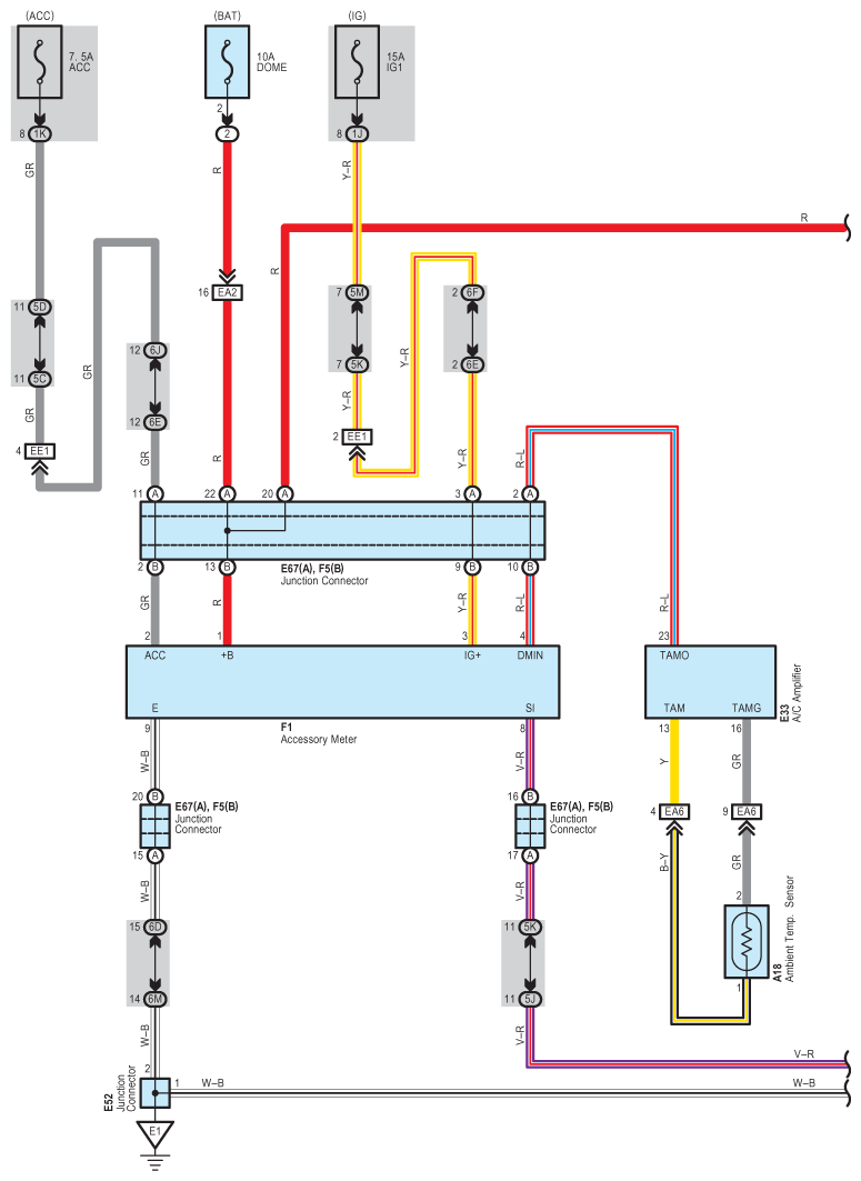
Fig 1: Accessory Meter Wiring Diagram (1 Of 2)
G09097095Courtesy of © TOYOTA, LICENSE AGREEMENT TMS1002
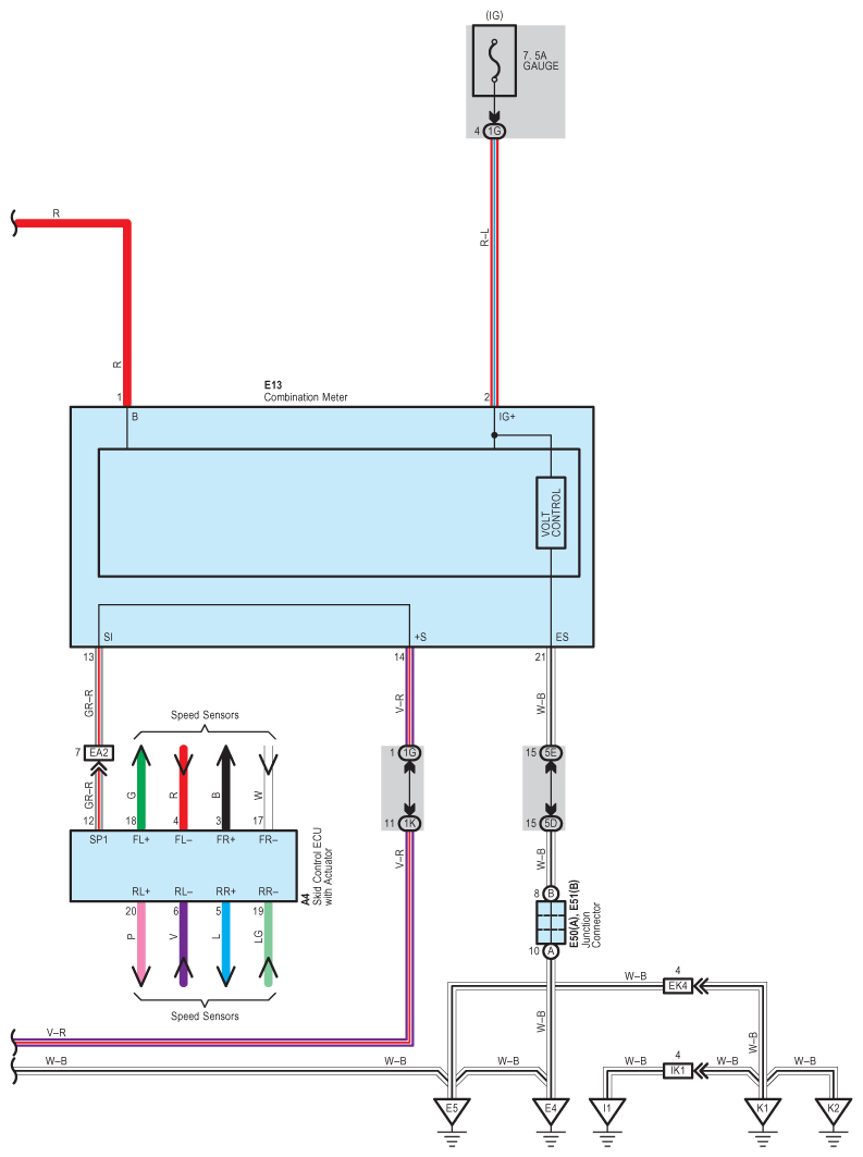
Fig 2: Accessory Meter Wiring Diagram (2 Of 2)
G09097096Courtesy of © TOYOTA, LICENSE AGREEMENT TMS1002