lemon-mirror:
Home >> Toyota >> 2013 >> FJ Cruiser RWD >> Repair and Diagnosis >> Electrical >> Body Electrical >> OEM System Circuits >> Cruise Control >> Notes

Cruise Control: Notes

Fig 1: Cruise Control Wiring Diagram (1 Of 6)
G09097058Courtesy of © TOYOTA, LICENSE AGREEMENT TMS1002
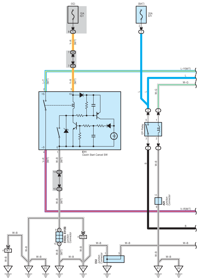
Fig 2: Cruise Control Wiring Diagram (2 Of 6)
G09097059Courtesy of © TOYOTA, LICENSE AGREEMENT TMS1002
Fig 3: Cruise Control Wiring Diagram (3 Of 6)
G09097060Courtesy of © TOYOTA, LICENSE AGREEMENT TMS1002
Fig 4: Cruise Control Wiring Diagram (4 Of 6)
G09097061Courtesy of © TOYOTA, LICENSE AGREEMENT TMS1002
Fig 5: Cruise Control Wiring Diagram (5 Of 6)
G09097062Courtesy of © TOYOTA, LICENSE AGREEMENT TMS1002
Fig 6: Cruise Control Wiring Diagram (6 Of 6)
G09097063Courtesy of © TOYOTA, LICENSE AGREEMENT TMS1002