lemon-mirror:
Home >> Toyota >> 2013 >> FJ Cruiser RWD >> Repair and Diagnosis >> Electrical >> Body Electrical >> OEM System Circuits >> Data Link Connector 3 >> Notes

Data Link Connector 3: Notes

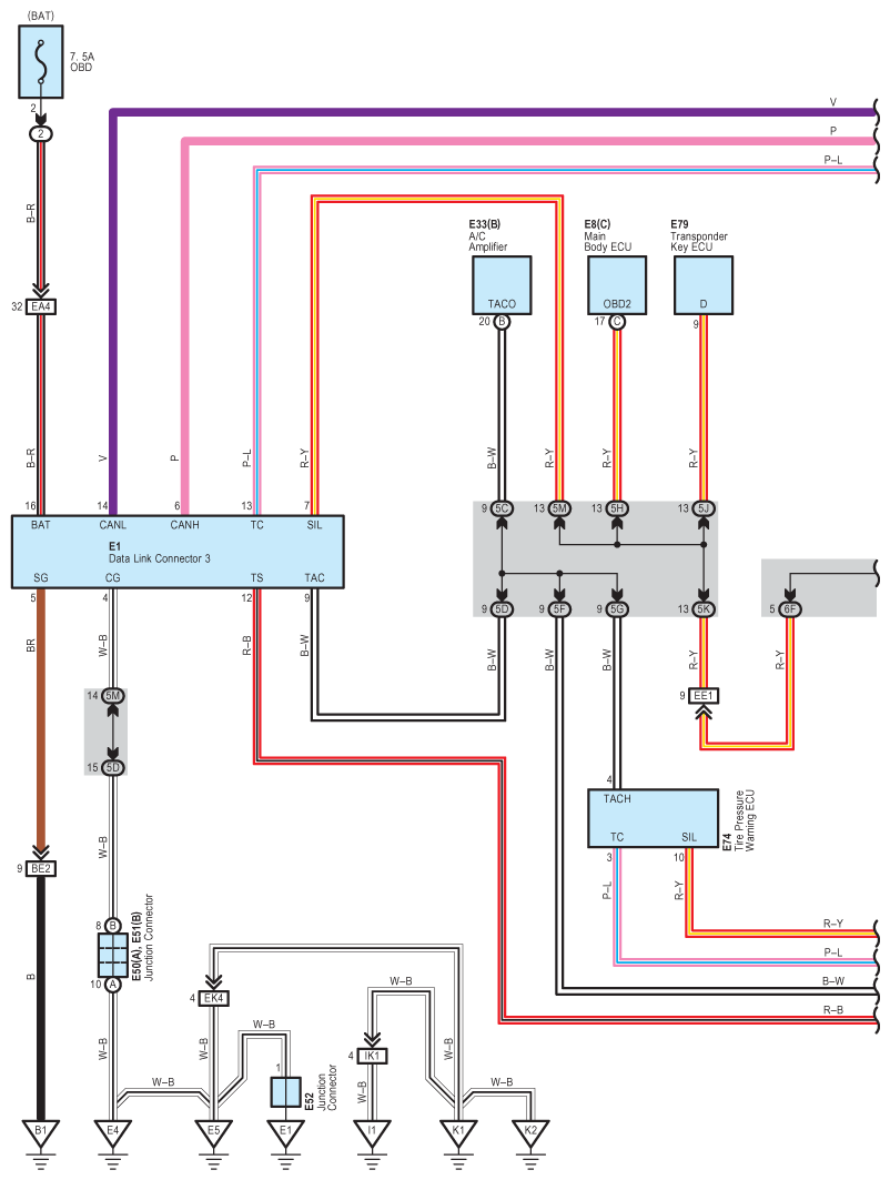
Fig 1: Data Link Connector 3 Wiring Diagram (1 Of 2)
G09096996Courtesy of © TOYOTA, LICENSE AGREEMENT TMS1002
Fig 2: Data Link Connector 3 Wiring Diagram (2 Of 2)
G09096997Courtesy of © TOYOTA, LICENSE AGREEMENT TMS1002