lemon-mirror:
Home >> Toyota >> 2013 >> FJ Cruiser RWD >> Repair and Diagnosis >> Electrical >> Body Electrical >> OEM System Circuits >> Engine Control >> Notes

Engine Control: Notes

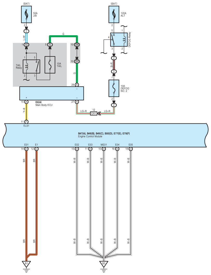
Fig 1: Engine Control Wiring Diagram (1 Of 17)
G09096978Courtesy of © TOYOTA, LICENSE AGREEMENT TMS1002
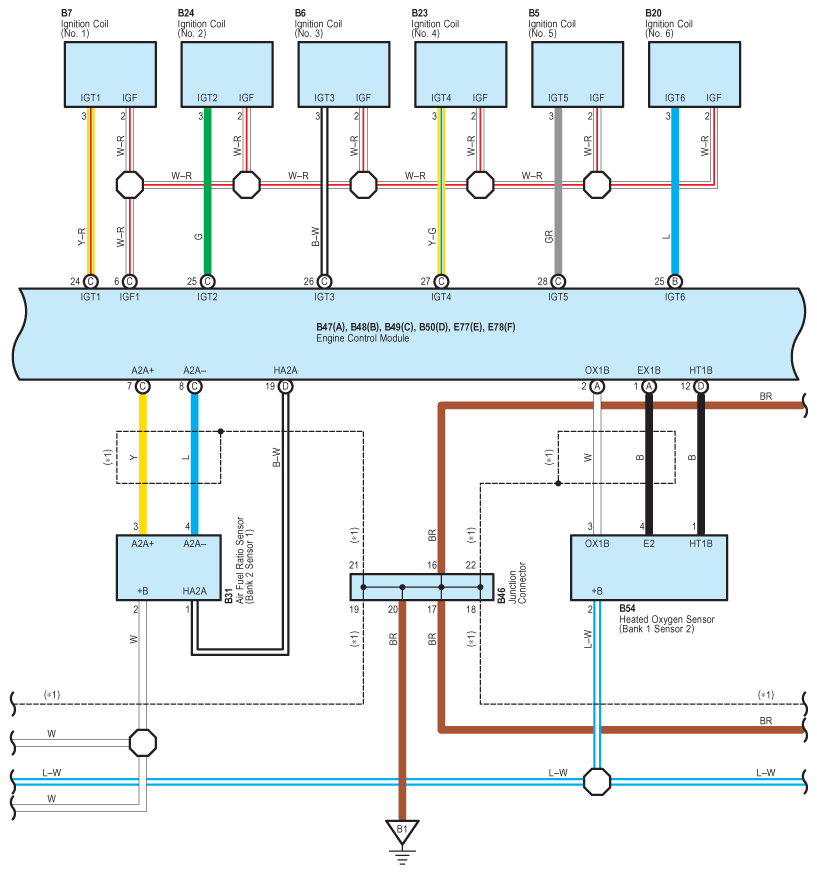
Fig 2: Engine Control Wiring Diagram (2 Of 17)
G09096979Courtesy of © TOYOTA, LICENSE AGREEMENT TMS1002
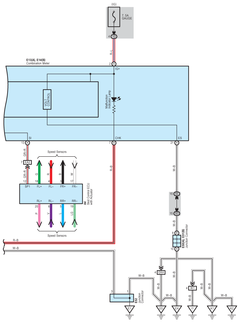
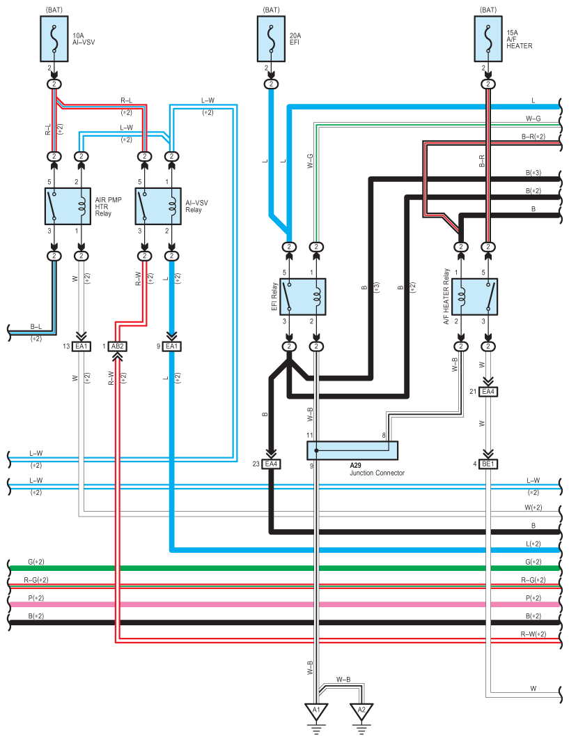
Fig 3: Engine Control Wiring Diagram (3 Of 17)
G09096980Courtesy of © TOYOTA, LICENSE AGREEMENT TMS1002
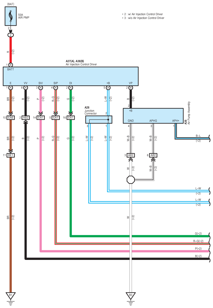
Fig 4: Engine Control Wiring Diagram (4 Of 17)
G09096981Courtesy of © TOYOTA, LICENSE AGREEMENT TMS1002
Fig 5: Engine Control Wiring Diagram (5 Of 17)
G09096982Courtesy of © TOYOTA, LICENSE AGREEMENT TMS1002
Fig 6: Engine Control Wiring Diagram (6 Of 17)
G09096983Courtesy of © TOYOTA, LICENSE AGREEMENT TMS1002
Fig 7: Engine Control Wiring Diagram (7 Of 17)
G09096984Courtesy of © TOYOTA, LICENSE AGREEMENT TMS1002
Fig 8: Engine Control Wiring Diagram (8 Of 17)
G09096985Courtesy of © TOYOTA, LICENSE AGREEMENT TMS1002
Fig 9: Engine Control Wiring Diagram (9 Of 17)
G09096986Courtesy of © TOYOTA, LICENSE AGREEMENT TMS1002
Fig 10: Engine Control Wiring Diagram (10 Of 17)
G09096987Courtesy of © TOYOTA, LICENSE AGREEMENT TMS1002
Fig 11: Engine Control Wiring Diagram (11 Of 17)
G09096988Courtesy of © TOYOTA, LICENSE AGREEMENT TMS1002
Fig 12: Engine Control Wiring Diagram (12 Of 17)
G09096989Courtesy of © TOYOTA, LICENSE AGREEMENT TMS1002
Fig 13: Engine Control Wiring Diagram (13 Of 17)
G09096990Courtesy of © TOYOTA, LICENSE AGREEMENT TMS1002
Fig 14: Engine Control Wiring Diagram (14 Of 17)
G09096991Courtesy of © TOYOTA, LICENSE AGREEMENT TMS1002
Fig 15: Engine Control Wiring Diagram (15 Of 17)
G09096992Courtesy of © TOYOTA, LICENSE AGREEMENT TMS1002
Fig 16: Engine Control Wiring Diagram (16 Of 17)
G09096993Courtesy of © TOYOTA, LICENSE AGREEMENT TMS1002
Fig 17: Engine Control Wiring Diagram (17 Of 17)
G09096994Courtesy of © TOYOTA, LICENSE AGREEMENT TMS1002