lemon-mirror:
Home >> Toyota >> 2013 >> FJ Cruiser RWD >> Repair and Diagnosis >> Electrical >> Body Electrical >> OEM System Circuits >> Headlight >> Notes

OEM System Circuits: Headlight: Notes

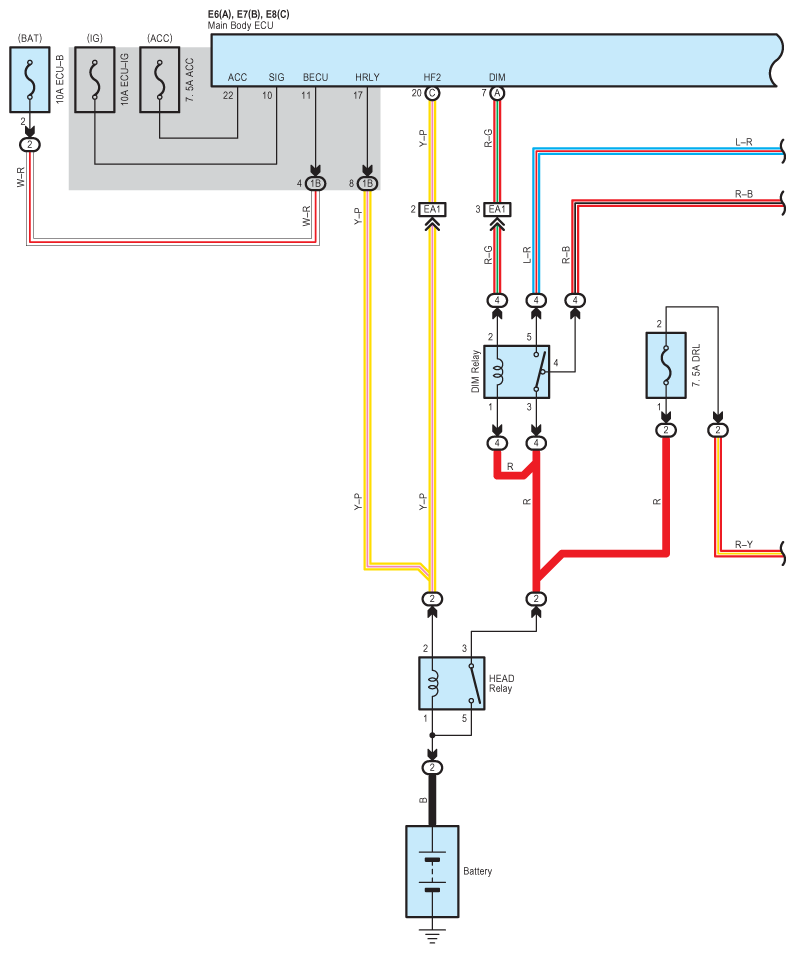
Fig 1: Headlight Wiring Diagram (1 Of 4)
G09097000Courtesy of © TOYOTA, LICENSE AGREEMENT TMS1002
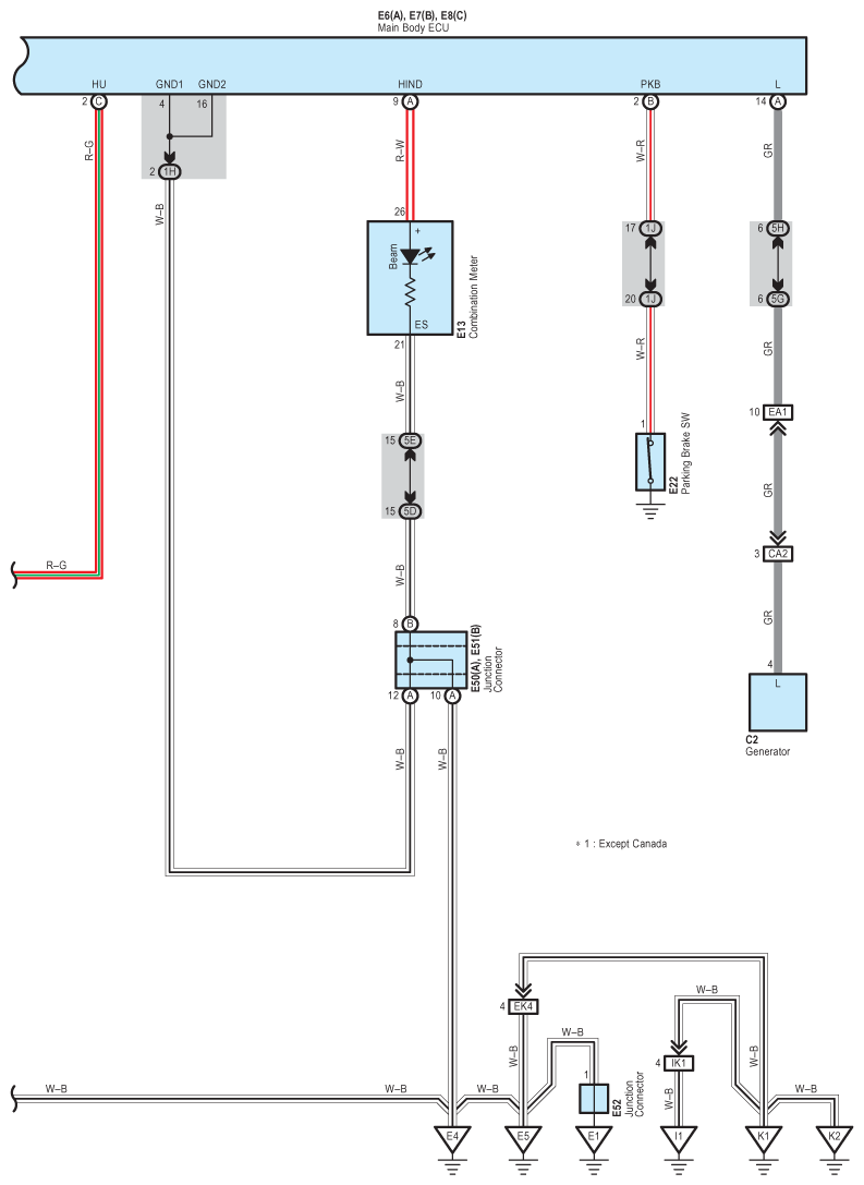
Fig 2: Headlight Wiring Diagram (2 Of 4)
G09097001Courtesy of © TOYOTA, LICENSE AGREEMENT TMS1002
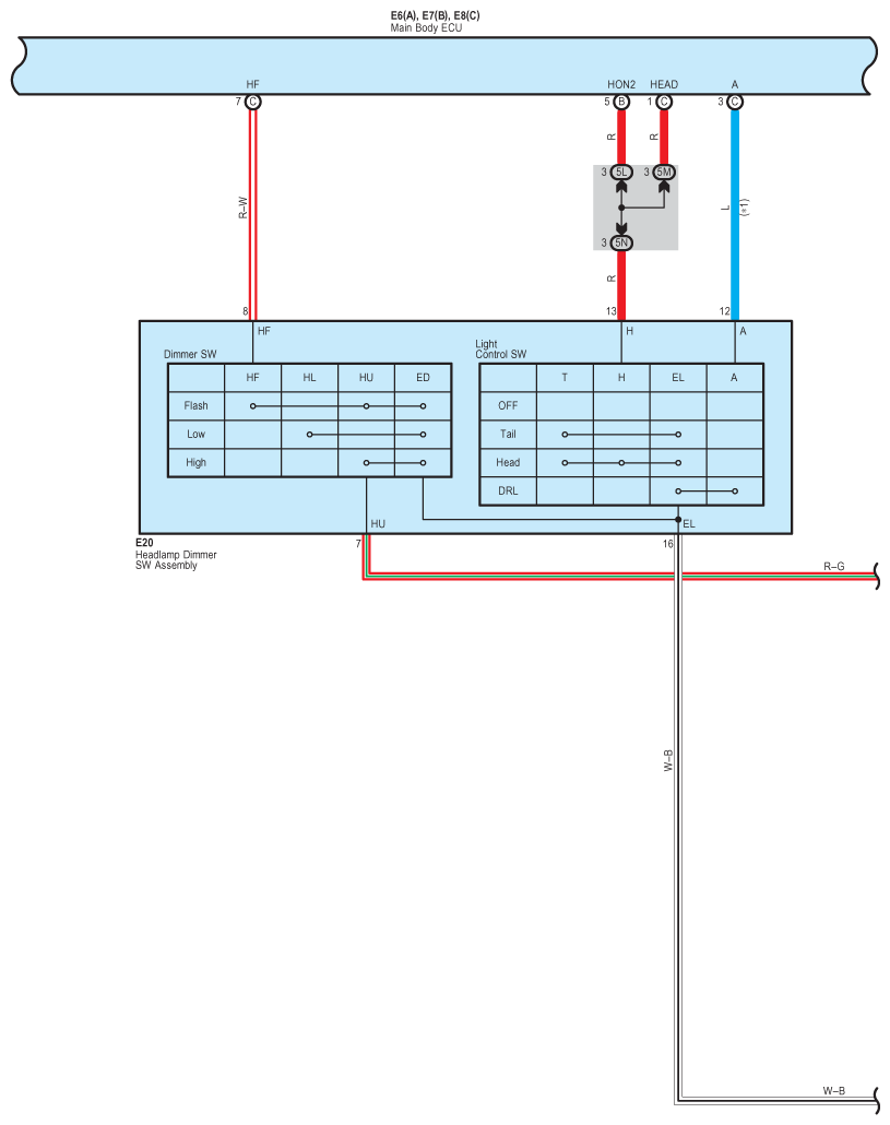
Fig 3: Headlight Wiring Diagram (3 Of 4)
G09097002Courtesy of © TOYOTA, LICENSE AGREEMENT TMS1002
Fig 4: Headlight Wiring Diagram (4 Of 4)
G09097003Courtesy of © TOYOTA, LICENSE AGREEMENT TMS1002