lemon-mirror:
Home >> Toyota >> 2013 >> FJ Cruiser RWD >> Repair and Diagnosis >> Electrical >> Body Electrical >> OEM System Circuits >> Rear Window Defogger >> Notes

Rear Window Defogger: Notes

Fig 1: Rear Window Defogger Wiring Diagram (1 Of 2)
G09097092Courtesy of © TOYOTA, LICENSE AGREEMENT TMS1002
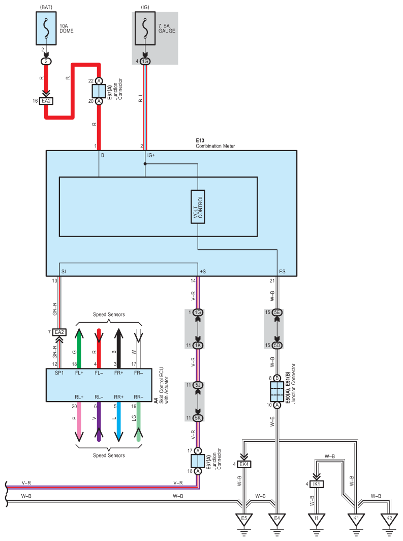
Fig 2: Rear Window Defogger Wiring Diagram (2 Of 2)
G09097093Courtesy of © TOYOTA, LICENSE AGREEMENT TMS1002