lemon-mirror:
Home >> Toyota >> 2013 >> FJ Cruiser RWD >> Repair and Diagnosis >> Electrical >> Body Electrical >> OEM System Circuits >> Shift Lock >> Notes

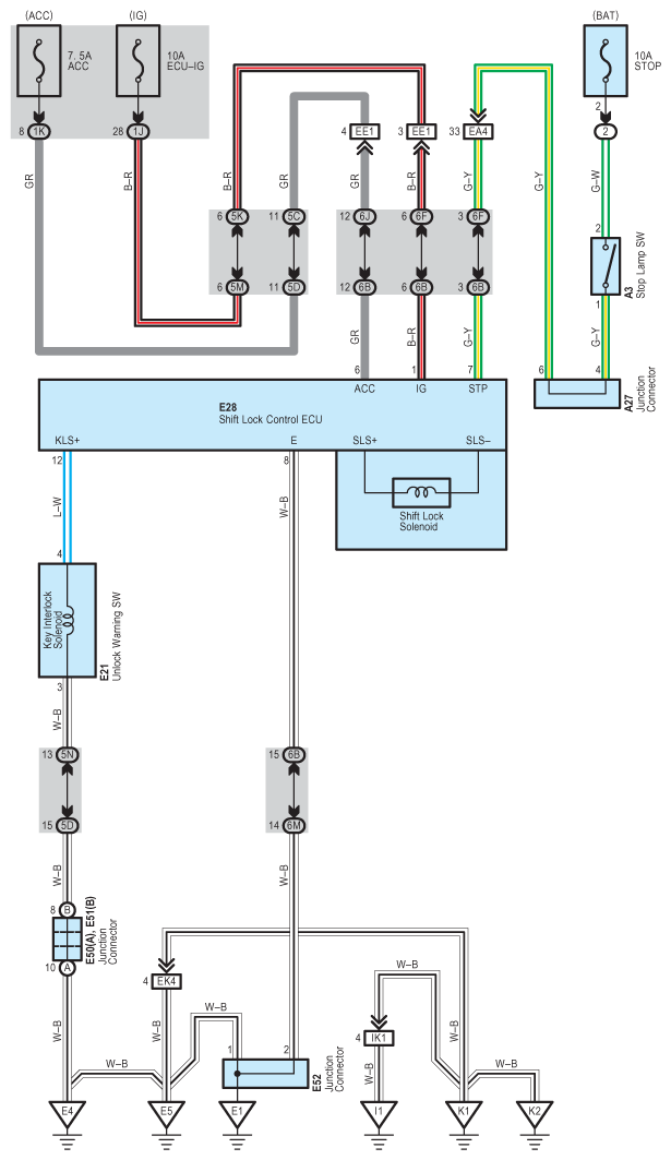
Shift Lock: Notes

Fig 1: Shift Lock Wiring Diagram
G09097085Courtesy of © TOYOTA, LICENSE AGREEMENT TMS1002