lemon-mirror:
Home >> Toyota >> 2013 >> Matrix Base, Automatic Trans >> Repair and Diagnosis >> Electrical >> Body Electrical >> OEM System Circuits >> Cruise Control (2ZR-FE) >> Notes

Cruise Control (2ZR-FE): Notes

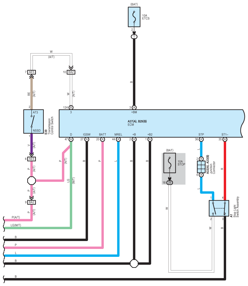
Fig 1: Cruise Control Wiring Diagram (2ZR-FE) (1 Of 6)
G09105916Courtesy of © TOYOTA, LICENSE AGREEMENT TMS1002
Fig 2: Cruise Control Wiring Diagram (2ZR-FE) (2 Of 6)
G09105917Courtesy of © TOYOTA, LICENSE AGREEMENT TMS1002
Fig 3: Cruise Control Wiring Diagram (2ZR-FE) (3 Of 6)
G09105918Courtesy of © TOYOTA, LICENSE AGREEMENT TMS1002
Fig 4: Cruise Control Wiring Diagram (2ZR-FE) (4 Of 6)
G09105919Courtesy of © TOYOTA, LICENSE AGREEMENT TMS1002
Fig 5: Cruise Control Wiring Diagram (2ZR-FE) (5 Of 6)
G09105920Courtesy of © TOYOTA, LICENSE AGREEMENT TMS1002
Fig 6: Cruise Control Wiring Diagram (2ZR-FE) (6 Of 6)
G09105921Courtesy of © TOYOTA, LICENSE AGREEMENT TMS1002