lemon-mirror:
Home >> Toyota >> 2013 >> Matrix Base, Automatic Trans >> Repair and Diagnosis >> Electrical >> Body Electrical >> OEM System Circuits >> Engine Control (2AZ-FE) >> Notes

Engine Control (2AZ-FE): Notes

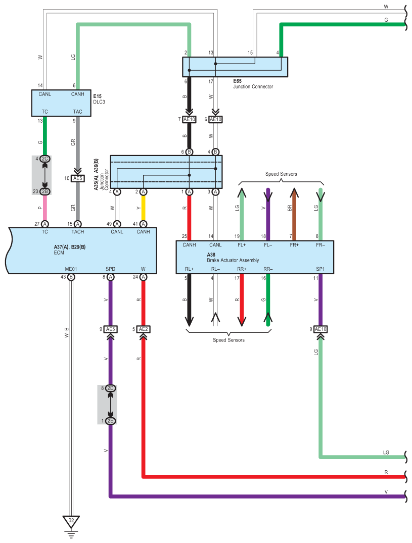
Fig 1: Engine Control Wiring Diagram (2AZ-FE) (1 Of 10)
G09105839Courtesy of © TOYOTA, LICENSE AGREEMENT TMS1002
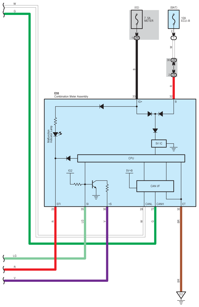
Fig 2: Engine Control Wiring Diagram (2AZ-FE) (2 Of 10)
G09105840Courtesy of © TOYOTA, LICENSE AGREEMENT TMS1002
Fig 3: Engine Control Wiring Diagram (2AZ-FE) (3 Of 10)
G09105841Courtesy of © TOYOTA, LICENSE AGREEMENT TMS1002
Fig 4: Engine Control Wiring Diagram (2AZ-FE) (4 Of 10)
G09105842Courtesy of © TOYOTA, LICENSE AGREEMENT TMS1002
Fig 5: Engine Control Wiring Diagram (2AZ-FE) (5 Of 10)
G09105843Courtesy of © TOYOTA, LICENSE AGREEMENT TMS1002
Fig 6: Engine Control Wiring Diagram (2AZ-FE) (6 Of 10)
G09105844Courtesy of © TOYOTA, LICENSE AGREEMENT TMS1002
Fig 7: Engine Control Wiring Diagram (2AZ-FE) (7 Of 10)
G09105845Courtesy of © TOYOTA, LICENSE AGREEMENT TMS1002
Fig 8: Engine Control Wiring Diagram (2AZ-FE) (8 Of 10)
G09105846Courtesy of © TOYOTA, LICENSE AGREEMENT TMS1002
Fig 9: Engine Control Wiring Diagram (2AZ-FE) (9 Of 10)
G09105847Courtesy of © TOYOTA, LICENSE AGREEMENT TMS1002
Fig 10: Engine Control Wiring Diagram (2AZ-FE) (10 Of 10)
G09105848Courtesy of © TOYOTA, LICENSE AGREEMENT TMS1002