lemon-mirror:
Home >> Toyota >> 2013 >> Matrix Base, Automatic Trans >> Repair and Diagnosis >> Electrical >> Body Electrical >> OEM System Circuits >> Key Reminder >> Notes

Key Reminder: Notes

Fig 1: Key Reminder Wiring Diagram (1 Of 2)
G09105949Courtesy of © TOYOTA, LICENSE AGREEMENT TMS1002
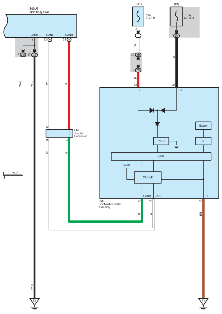
Fig 2: Key Reminder Wiring Diagram (2 Of 2)
G09105950Courtesy of © TOYOTA, LICENSE AGREEMENT TMS1002