lemon-mirror:
Home >> Toyota >> 2013 >> Matrix Base, Automatic Trans >> Repair and Diagnosis >> Electrical >> Body Electrical >> OEM System Circuits >> Seat Belt Warning >> Notes

Seat Belt Warning: Notes

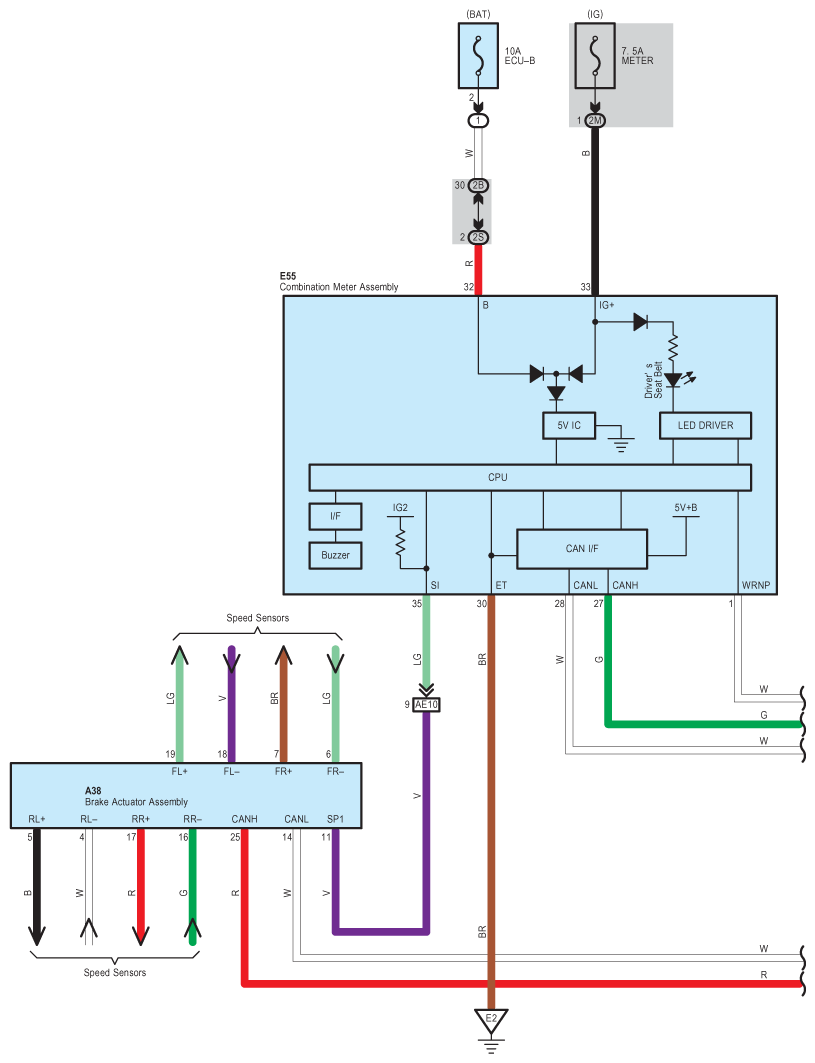
Fig 1: Seat Belt Warning Wiring Diagram (1 Of 3)
G09105953Courtesy of © TOYOTA, LICENSE AGREEMENT TMS1002
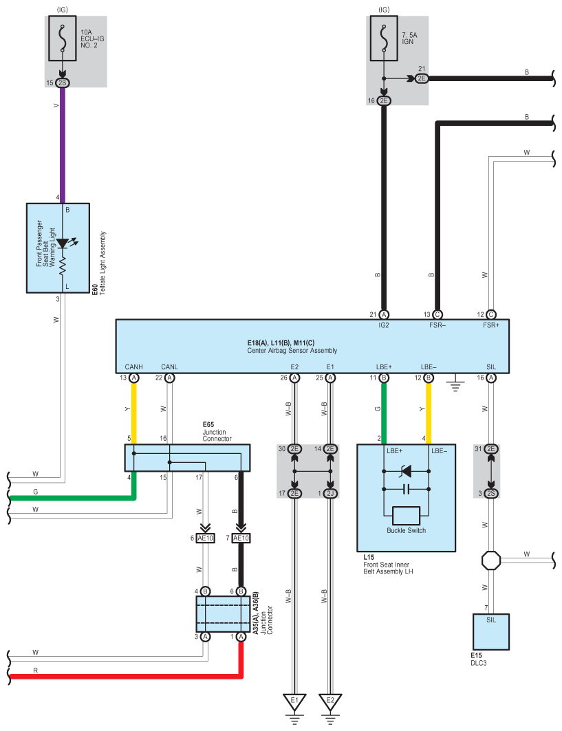
Fig 2: Seat Belt Warning Wiring Diagram (2 Of 3)
G09105954Courtesy of © TOYOTA, LICENSE AGREEMENT TMS1002
Fig 3: Seat Belt Warning Wiring Diagram (3 Of 3)
G09105955Courtesy of © TOYOTA, LICENSE AGREEMENT TMS1002